Analog Devices Inc. LTC2353, LTC2357, LTC2358, LTC2333 16-Bit-/18-Bit-ADCs
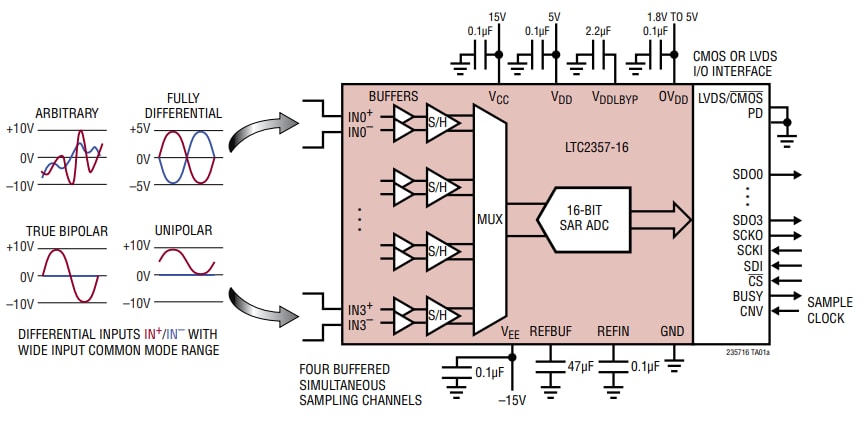
Analog Devices Inc. LTC235x 16-Bit- und 18-Bit-ADCs sind rauscharme, simultan abtastende ADCs mit 2-, 4- und 8-Kanälen und sukzessivem Approximationsregister (SAR). Die Bauteile verfügen über gepufferte Differential- und Picoamp-Eingänge mit großem Gleichtaktbereich. Die ADCs arbeiten mit einem 5-V-Niederspannungsnetzteil sowie flexiblen Hochspannungsnetzteilen und verwenden die interne Referenz und den Buffer. Jeder Kanal dieses SoftSpan™-ADCs kann unabhängig je nach Umwandlung konfiguriert werden, um ±10,24 V, 0 V bis 10,24 V, ±5,12 V oder 0 V bis 5,12 V Signale aufzunehmen. Einzelne Kanäle können auch deaktiviert werden, um den Durchsatz auf den verbleibenden Kanälen zu erhöhen.Merkmale
- Vollständig gepufferte, (>1.000 GΩ) - Mehrkanal-SAR-ADC-Produktfamilie
- Simultane Abtastung von 8/4/2 Kanälen bei einem Durchsatz von 200/350/550 kSPS pro Kanal (LTC2358/LTC2357/LTC2353)
- 8-Kanäle-gemultiplexte Abtastung bei einem Durchsatz von 800 kSPS (LTC2333)
- Eingangsableitstrom von max. 500 pA/12 nA bei 85 °C/125 °C
- ±3,5 LSB INL (max. 18-Bit) / ±1 LSB INL (max. 16-Bit)
- 96,4 dB SRV (typisch, 18-Bit) / 94,2 dB SRV (typisch, 16-Bit)
- Echte bipolare SoftSpan-Eingangsbereiche bis zu ±12,5 V pro Kanal
- Großer 30-VP-P-Eingangsgleichtaktbereich mit 128 dB CMRR
- Große -3dB-Eingangsbandbreite von 6 MHz
- Pin-wählbare CMOS- (1,8 V bis 5 V) oder serielle LVDS-Schnittstelle
- Pin- und Software-kompatible Produktfamilie in einem LQFP-48-Gehäuse von 7×7 mm
Applikationen
- Programmierbare Logik-Controller
- Industrielle Prozesssteuerung
- Überwachung der Stromleitungen
- Test- und Messsysteme
Videos
Veröffentlichungsdatum: 2018-04-10
| Aktualisiert: 2025-02-03
