Analog Devices Inc. ADA4098-1/-2 Over-The-Top™ Präzisionsoperationsverstärker
Die ADA4098-1 Over-The-Top™-Präzisions-Operationsverstärker von Analog Devices Inc. bieten Eingänge, die von -VS bis +VS und darüber hinaus (Over-The-Top) betrieben werden. Der ADA4098-1/2 verfügt über Offsetspannungen von < 30 µV, Eingangs-Bias-Ströme (IB) von < 700 pA und kann mit einzelnen oder geteilten Versorgungen mit einem Bereich von 3 V bis 50 V betrieben werden. Darüber hinaus zieht der ADA4098-1 einen Versorgungsstrom von nur 165 µA.Die Over-The-Top-Eingangsstufe des ADA4098-1/2 von ADI bietet robuste Eingangsschutzfunktionen für raue Umgebungen. Die Eingänge können eine Differentialspannung von bis zu 80 V ohne Beschädigung oder Verschlechterung der DC-Genauigkeit tolerieren. Der Gleichtakt-Betriebseingangsspannungsbereich reicht von Rail-to-Rail und darüber hinaus, bis zu 70 V > -VS, unabhängig von der +VS-Versorgung.
Der ADA4098-1/2 verfügt über einen Verstärkungsfaktor Eins und kann Lasten, die bis zu 20 mA erfordern, ansteuern. Darüber hinaus treiben die Operationsverstärker kapazitive Lasten von bis zu 200 pF an. Das Bauteil ist mit einer stromsparenden Abschaltung verfügbar.
Der ADA4098-1 ist in einem 6-Pin-Standard-TSOT-Gehäuse (Thin Small Outline Transistor, TSOT) verfügbar. Der ADA4098-2 ist in einem 8-poligen SOIC_N-Gehäuse (Standard Small Outline), einem 8-poligen MSOP-Gehäuse (Mini Small Outline) und einem 10-poligen LFCSP-Gehäuse (Lead-Frame Chip Scale) erhältlich.
Merkmale
- Extrem großer Gleichtakt-Eingangsbereich von -VS – 0,1 V bis VS +70 V
- Großer Stromversorgungsspannungsbereich von +3 V bis +50 V (bis ±25 V für PSRR)
- Niedriger Versorgungsstrom: 165 μA (typisch)
- Niedrige Eingangs-Offset-Spannung: ±30 μV (max.)
- Niedriger Eingangs-Offset-Spannungsdrift: ±0,5 μV/°C max. (Klasse B)
- Niedriges Eingangsspannungsrauschen
- 1/f-Rauschecke von 6 Hz (typisch)
- 400 μV p-p (typisch) bei 0,1 Hz bis 10 Hz
- 17 nV/√Hz bei 100 Hz (typisch)
- Hochgeschwindigkeit
- 1,05 MHz (typisch) für fTEST = 2,5 kHz GBP
- Anstiegsrate von 0,85 V/μs bei ΔVOUT = 25 V (typisch)
- Abschaltung mit niedrigem Versorgungsstrom: 20 µA (max.)
- Niedriger Eingangs-Offset-Strom: ±700 pA (max.)
- Große Signalspannungs-Gain: 126 dB (min.) für ΔVOUT = 4 V
- CMRR: 123 dB (min.) bei VCM = -0,1 V bis +70 V
- PSRR: 123 dB (min.) bei VSY = +3 V bis ±25 V
- Eingangsübersteuerungs-tolerant ohne Phasenumkehrung
- ±4 kV HBM und ±1,25 kV FICDM
- Großer Temperaturbereich (H-Grad): -55 °C bis +150 °C
Applikationen
- Industrie-Sensorkonditionierung
- Versorgungsstrom-Sensoren
- Batterie- und Stromversorgungsüberwachung
- Frontend-Verstärker in rauen Umgebungen
- Sender von 4 mA bis 20 mA
Weitere Ressourcen
Schutz vor Überspannungen in analogen Front-Ends
Dieser Artikel zeigt, wie Over-The-Top-Verstärker Schutz vor Überspannungen in industriellen Anwendungen bieten können.
TYPISCHE APPLIKATIONS-SCHALTUNG
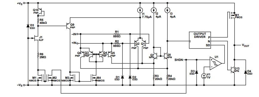
Vereinfachter Schaltplan
