Analog Devices Inc. ADGS1414D Oktale SPST-Schalter
Die Analog Devices Inc. ADGS1414D oktalen SPST-Schalter verfügen über acht unabhängige Schalter, die über eine serielle Peripherieschnittstelle (SPI) gesteuert werden. DiE SPI implementiert viele Fehlererkennungsfunktionen, einschließlich Fehlererkennung von zyklischen Redundanzprüfungen (CRC), ungültige Lese-/Schreibadressenerfassungen und eine Erkennung von SCLK-Zählfehlern.Die ADGS1414D SPST-Schalter von ADI können verkettet werden und der Verkettungsmodus ermöglicht die Konfiguration mehrerer Bauelemente mit einer Mindestanzahl an digitalen Leitungen. Die Kanaldichte wird durch das Routing von digitalen Signalen und Versorgungen über den ADGS1414D weiter erhöht. Der ADGS1414D integriert viele passive Bauelemente, wodurch die Notwendigkeit für externe Bauelemente entfällt.
Der ADGS1414D leitet alle Schalter in beide Richtungen gleichermaßen gut und alle Schalter verfügen über einen Eingangssignalbereich, der bis zu den Versorgungen reicht. Dadurch eignet sich der ADGS1414D hervorragend für Schaltapplikationen mit hoher Dichte, wie große Schaltmatrizen und Fanout-Applikationen.
Merkmale
- SPI mit Fehlererkennung
- Umfasst CRC, ungültige Lese-/Schreib-Adresse und SCLK-Zählerfehlererkennung
- Unterstützt Burst- und Verkettungsmodus
- Kompatibel mit Industriestandard-SPI-Modus-0- und Industriestandard-Modus-3-Schnittstellen
- Integrierte passive Bauelemente
- Durchleitung von digitalen Signalen und Versorgungen
- Garantierte Unterbrechungsschaltung, die eine externe Verdrahtung von Schaltern zur Bereitstellung von Multiplexer-Konfigurationen ermöglicht
- Typischer 1,5 Ω Einschaltwiderstand bei 25 °C (±15-V-Dual-Versorgung)
- Typische 0,3 Ω Einschaltwiderstands-Flachheit bei 25 °C (±15-V-Dual-Versorgung)
- Typische Übereinstimmung des Einschaltwiderstands zwischen den Kanälen von 0,1 Ω bei 25 °C ((±15-V-Dual-Versorgung)
- VSS bis VDD analoger Signalbereich
- Vollständig bei ±15 V, ±5 V und +12 V spezifiziert
- Logik-Kompatibilität von 1,8 V mit 2,7 V ≤ VL ≤ 3,3 V (ohne SPI-Rücklesbarkeit auf einem 1,8-V-Bauteil)
- LGA mit 30 Anschlüssen von 4 mm × 5 mm
Applikationen
- Automatisierte Testausstattung
- Datenerfassungssysteme
- Abtast- und Halteschaltung
- Audio- und Video-Signal-Routing
- Kommunikationssysteme
- Ersatz für Relais
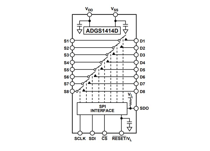
Blockdiagramm
