Analog Devices Inc. LTC7061 100-V-Halbbrückentreiber
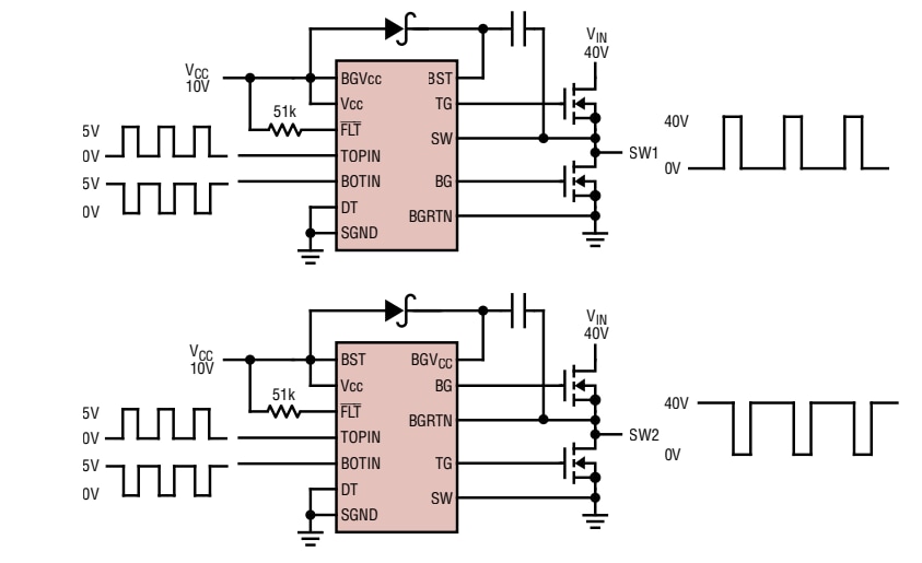
Analog Devices Inc. Die 100-V-Halbbrücken-Treiber LTC7061 treiben zwei n-Kanal-MOSFETs in einer Halbbrücken-Konfiguration mit Versorgungsspannungen von bis zu 100 V an. Sowohl High-Side- als auch Low-Side-Treiber des LTC7061 können die MOSFETs mit einer anderen Erdungsreferenz ansteuern und bieten eine ausgezeichnete Rausch- und Transientenimmunität.Die LTC7061 100-V-Halbbrücken-Treiber von ADI bieten einen leistungsstarken Pull-Down von 0,8 Ω und ull-up-MOSFET-Treiber von 1,5 Ω, die Hochspannungs-MOSFETs mit hoher Gate-Kapazität ermöglichen. Zusätzliche Funktionen umfassen UVLO, TTL-/CMOS-kompatible Eingänge, einstellbare Einschalt-/Ausschalt-Verzögerungen und Durchzündungsschutz.
Merkmale
- Einzigartige symmetrische potentialfreie Gate-Treiber-Architektur
- Hohe Rauschimmunität, toleriert einen Masseunterschied von ±10 V
- Maximale Eingangsspannung von 100 V unabhängig von der IC-Versorgungsspannung VCC
- Betriebsspannung: 5 V bis 14 V VCC
- Gate-Treiber-Spannung: 4 V bis 14 V
- Pull-Down von 0,8 Ω, Pull-up von 1,5 Ω für ein schnelles Ein-/Ausschalten
- Adaptiver Durchzündungsschutz
- Einstellbare Totzeit
- TTL- und CMOS-kompatible Eingänge
- VCC UVLO/OVLO und UVLO mit potentialfreien Versorgungen
- Steuert Dual-n-Kanal-MOSFETs an
- Open-Drain-Fehleranzeige (VCC UVLO/OVLO, Gate-Treiber-UVLO und thermische Abschaltung)
- Erhältlich in thermisch verbessertem 12-Pin-MSOP
- AEC-Q100-Qualifikation für Fahrzeuganwendungen noch ausstehend
Applikationen
- Automotive- und Industrie-Leistungssysteme
- Telekommunikations-Leistungssysteme
- Halb- und Vollbrücken-Wandler
Typische Applikation
Veröffentlichungsdatum: 2021-03-16
| Aktualisiert: 2022-03-11
