Analog Devices Inc. MAX22663 Stromsparende Sechskanal-Digitalisolatoren
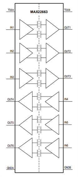
Analog Devices MAX22663 stromsparend 6-Kanal Digitalisolatoren sind schnelle, verstärkte, galvanisierte Isolatoren unter Verwendung von Analog Devices’ proprietärer Prozesstechnologie. Alle Bauteile verfügen über eine verstärkte Isolierung mit einer Nennspannung von 5 kVRMS für 60 Sekunden. Diese Bauteile übertragen digitale SignaleI zwischen Schaltungen mit unterschiedlichen Leistungsdomänen und benötigen dabei nur etwa 0.71mW pro Kanal bei 1 Mbps (1,8 V Versorgung). Der MAX22663 verfügt über drei Kanäle, die digitale Signale in eine Richtung übertragen, während die verbleibenden drei in die entgegengesetzte Richtung übertragen. Die stromsparende Funktionsweise reduziert die Systemdissipation, erhöht die Zuverlässigkeit und ermöglicht kompakte Designs. Die Isolatoren der Baureihe MAX22663 von ADI sind für den Betrieb innerhalb eines Umgebungstemperaturbereichs von -40 °C bis +125 °C ausgelegt.Diese Bauteile sind mit einer maximalen Datenrate von entweder 25 Mbit/s oder 200 Mbit/s und Standard-High- oder Low-Ausgängen verfügbar. Die Bauteile der Baureihe MAX22663 zeichnen sich durch geringe Laufzeitverzögerungen und einen geringen Taktjitter aus, wodurch die Systemlatenz reduziert wird. Durch unabhängige 1,71-V- bis 5,5-V-Versorgungen auf jeder Seite eignen sich die Bauteile auch für den Einsatz als Pegelumsetzer.
Merkmale
- Verstärkte galvanische Isolierung für digitale Signale
- Breiter SOIC-16 mit 8 mm Kriechstrecke und Luftabstand
- Hält 5 kVRMS für 60 s (VISO) stand
- Hält ständig 848 VRMS (VIOWM) stand
- Hält einer Überspannung von ±12,8 kV zwischen GNDA und GNDB mit 1,2/50-μs-Wellenform stand
- Hohe CMTI (50 kV/μs, typisch)
- Geringer Stromverbrauch
- 0,71 mW pro Kanal bei 1 MBit/s mit VDD= 1,8 V
- 1,34 mW pro Kanal bei 1 MBit/s mit VDD = 3,3 V
- 3,21 mW pro Kanal bei 100 MBit/s mit VDD = 1,8 V
- Geringe Ausbreitungsverzögerung und geringer Jitter
- Maximale Datenrate von bis zu 200 MBit/s
- Niedrige typische Laufzeitverzögerung von 7 ns bei VDD = 3,3 V
- Typischer Taktjitter-RMS von 11,1 ps
- Zulassungen von Sicherheitsvorschriften
- UL gemäß UL1577
- cUL gemäß CSA Bulletin 5A
- VDE 0884-11 verstärkte Isolierung (ausstehend)
Applikationen
- Isolierte SPI, RS-232/422/485, CAN und digitale I/Os
- Feldbus-Kommunikation
- Motorsteuerung
- Medizinische Systeme
Testschaltung und Taktschema
Funktionsdiagramm
Veröffentlichungsdatum: 2025-10-14
| Aktualisiert: 2025-11-16
