Analog Devices / Maxim Integrated MAX17703 Ladegerät-Regler für Li-Ionen-Akkus

Der Analog Devices MAX17703 Ladegerät-Abwärtsregler ist ein synchroner Hochspannungs-Himalaya-Ladegerät-Abwärtsregler für Li-Ionen-Akkus mit hohem Wirkungsgrad, der für den Betrieb über einen Eingangsspannungsbereich von 4,5 V bis 60 V ausgelegt ist.

Der MAX17703 Regler wird über einen großen Temperaturbereich von -40 °C bis +125 °C betrieben und bietet eine vollständige Ladelösung für Li-Ionen-Akkus mit einem genauen Konstantstrom von ±4 %. Die Ausgangsspannung ist von 1,25 V bis zu (VDCIN bis 2,1 V) mit einer Regelungsgenauigkeit von ±1 % programmierbar.

Der MAX17703 Ladegerät-Regler für Li-Ionen-Akkus von Analog Devices verwendet einen externen nMOSFET, um eine versorgungsseitige Kurzschluss-Sicherung zu bieten und eine Batterieentladung zu verhindern. Das Bauteil lädt den Akku in Konstantstrom(CC)- und Konstantspannungs(CV)-Zuständen auf und endet nach Ablauf des Taper-Timers in einem Nachladezustand.

Der MAX17703 wird in einem 24-Pin-TQFN-Gehäuse von 4 mm x 4 mm mit einem freiliegenden Pad angeboten.

Merkmale

  • Optimierter Funktionssatz für Li-Ionen-Akkus, einschließlich Li-Polymer, LiFePO4 und Li-Titanat
    • Regelungsgenauigkeit des Ladestroms von ±4 %
    • Genauigkeit der Ladestromüberwachung (ISMON) von ±6 %
    • Spannungsregelungsgenauigkeit von ±1 %
    • Programmierbarer Konstantstrommodus(CC)-Ladestrom (ILIM)
    • Ladeabbruch bei Erkennung eines vollen Akkus mit Schwellenwert des Taper-Current und Taper-Timer
    • Großer Eingangsspannungsbereich von 4,5 V bis 60 V
    • Einstellbarer Ausgangsspannungsbereich von 1,25 V bis zu (VDCIN bis 2,1 V)
    • Einstellbare Frequenz von 125 kHz bis 2,2 MHz mit externer Taktsynchronisierung (RT/SYNC)
  • Zuverlässiger Betrieb unter rauen Umgebungsbedingungen
    • Eingangs-Kurzschluss-Sicherung (GATEN)
    • Sicherheits-Timer-Funktion (TMR)
    • Erkennung eines tiefentladenen Akkus und Vorkonditionierung (DDTH)
    • Temperaturmessung und Laden des Akkus, wenn er sich innerhalb des Temperaturbereichs (TEMP) befindet
    • Zyklus-für-Zyklus-Überstrombegrenzung
    • Programmierbarer EN-/UVLO-Schwellenwert
    • Statusausgangsüberwachung über Open-Drain-Ausgänge (FLG1 und FLG2)
    • Übertemperaturschutz
    • Konform mit CISPR 32 (EN55032) Klasse B leitungsgebundene und abgestrahlte Emissionen
    • Großer Umgebungsbetriebstemperaturbereich von -40 °C bis +125 °C/Sperrschichttemperaturbereich von -40 °C bis +150 °C

Applikationen

  • Industrie-Akkuladesysteme und Industrie-Energiespeicherung
  • Elektrowerkzeuge und Handbediengeräte
  • Notstromversorgung mit Akkus für Beleuchtung, Sicherheitskameras und Steuertafeln
  • Tragbare Industrie- und Medizintechnik
  • Notstromversorgung von Gebäude- und Heimautomatisierung

Videos

Vereinfachte Applikations-Schaltung

Applikations-Schaltungsdiagramm - Analog Devices / Maxim Integrated MAX17703 Ladegerät-Regler für Li-Ionen-Akkus

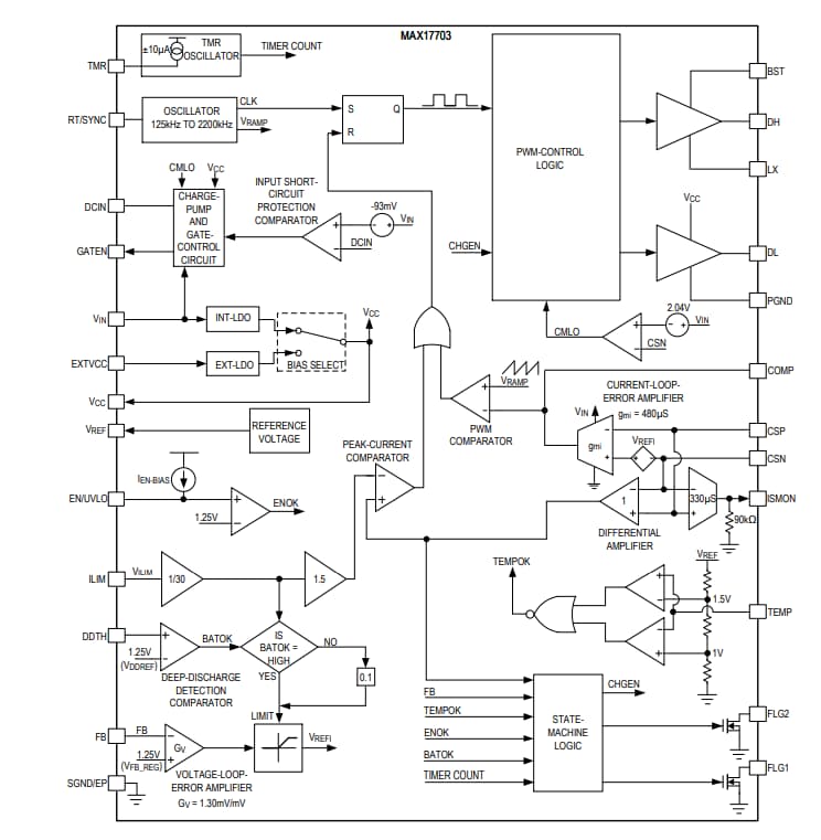
Funktionales Blockdiagramm

Blockdiagramm - Analog Devices / Maxim Integrated MAX17703 Ladegerät-Regler für Li-Ionen-Akkus
Veröffentlichungsdatum: 2021-05-27 | Aktualisiert: 2023-04-12