Analog Devices / Maxim Integrated MAX20429 6-A-Dual-Niederspannungs-Abwärtswandler
Die Analog Devices Inc. MAX20429 6-A-Dual-Niederspannungs-Abwärtswandler mit hohem Wirkungsgrad bieten einen Laststrom bis zu 6 A (Spitze) pro Ausgang von 0,5 V bis 1,5875 V in 12,5-mV-Schritten und 1,6 V bis 3,8 V in 50-mV-Schritten. Der MAX20429 verfügt über einen Ausgangsfehler von weniger als ±1,0 %, Überlast, Leitung und Temperatur. Der IC wird von 3 V bis 5,5 V betrieben und eignet sich daher hervorragend für On-Board-Punktlast- und Nachregelungs-Applikationen.Die MAX20429 6-A-Dual-Niederspannungs-Abwärtswandler mit hohem Wirkungsgrad von ADI bieten einen Festfrequenz-PWM-Modusbetrieb mit einer Schaltfrequenz von 2,1 MHz oder 3,2 MHz. Der Hochfrequenzbetrieb ermöglicht ein Vollkeramik-Kondensator-Design mit kleinen externen Komponenten.
Das Bauteil verfügt über die MAXQ™-Technologie, die eine präzise Transientenleistung und einen Phasenabstand bietet. Diese Funktionen ermöglichen den Erhalt der maximalen Leistung, Leistung und Präzision vom Wandler über eine große Auswahl von Konfigurationen.
Die MAX20429 Wandler enthalten eine Übertemperatur-Abschaltung und eine Überstrombegrenzung. Die MAX20429 Wandler sind für den Betrieb in einem Umgebungstemperaturbereich von -40 °C bis +125 °C ausgelegt.
Merkmale
- Für sekundäre Regler für SoC-/MCU-Versorgungsapplikationen ausgelegt
- Hoher Funktionsumfang in einem extrem kleinen Footprint
- DC/DC-Wandler mit hohem Wirkungsgrad
- Zwei unabhängige Ausgänge, bis zu 6 A pro Ausgang
- Betriebsversorgungsspannung: 3,0 V bis 5,5 V
- Widerstands-einstellbare Ausgangsspannung
- Optionale werkseitig voreingestellte Ausgangsspannung
- Optionen: 2,1 MHz/3,2 MHz
- Freigabeeingang
- Einzelne RESET-Ausgänge
- Frequenzspreizungsoption
- Spitzenstrommodus-Architektur
- FCQFN von 3 mm x 3,5 mm
- Hohe Genauigkeit
- 108/92 % OV-/UV-Überwachung
- ±3 % OV-/UV-Genauigkeit
- Ausgangsspannungsgenauigkeit: ±1 %
- Hervorragendes Lasttransienten-Einschwingverhalten
- PWM- und SKIP-Modusbetrieb
- MAXQ™ Leistungsarchitektur
- Hoher Wirkungsgrad
- Wirkungsgrad von bis zu 96 % bei 5 V bis 3,3 V
- Wirkungsgrad von bis zu 90 % bei 5 V bis 1 V
- Betriebstemperaturbereich: -40 °C bis +125 °C
- AEC-Q100-qualifiziert
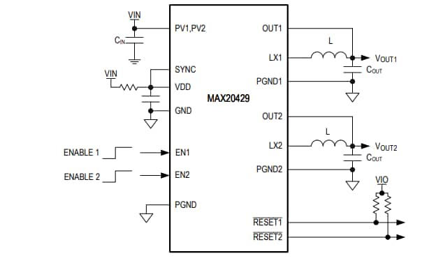
Blockdiagramm
