Analog Devices Inc. MAX20463EVKIT Evaluierungskit für den MAX20463
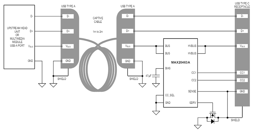
Das Analog Devices MAX20463EVKIT Evaluierungskit für den MAX20463 wird verwendet, um die MAX20463 USB Type-C™ -Lösung für Fahrzeuganwendungen zu demonstrieren. Das Kit ist eine Ein-Chip-Lösung, mit dem ein vorhandener nachgeschalteter Anschluss, der USB-A-Steckverbinder unterstützt, in einen USB Type-C-Steckverbinder umgewandelt werden kann. Das Bauteil verfügt über eine integrierte USB Type-C-Schnittstelle zur Steuerung des neuen Konfigurationskanals(CC)-Pins, der sich im USB Type-C-Steckverbinder befindet.Merkmale
- USB-C 3.0A, konfigurierbarer Ladeerkennungsmodus
- High-Side-USB-Leistungsschutzschalter
- Bewährtes PCB-Layout
- Vollständig bestückt und getestet
Applikationen
- Nachgeschaltete USB-Automotive-Module
- Unverlierbare USB-Kabelhülle für Fahrzeuge
Blockdiagramm
Veröffentlichungsdatum: 2020-06-08
| Aktualisiert: 2024-05-31
