Analog Devices / Maxim Integrated MAX22199EVKIT Evaluierungskit
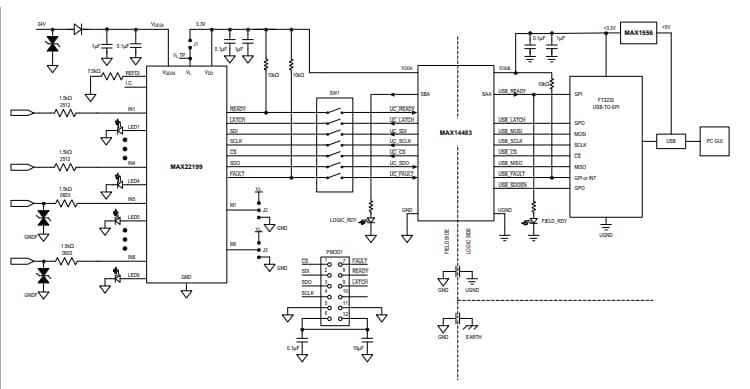
Das Analog Devices MAX22199EVKIT Evaluierungskit enthält die Hardware und Software, die für die Evaluierung des oktalen Industrie-Digitaleingangs MAX22199 erforderlich sind. Der oktale Industrie-Digitaleingang MAX22199 wandelt acht 24 V stromsenkende industrielle Eingänge in einen serialisierten SPI-kompatiblen Ausgang um, der mit 3 V bis 5,5 V Logik verbunden ist. Das IEC 61131-2-konforme industrielle Digitaleingangsgerät arbeitet als acht digitale Eingänge vom Typ 1/Typ 3 oder vier digitale Eingänge vom Typ 2. Das MAX22199EVKIT Evaluierungskit von Analog Devices empfängt Befehle von einem PC über den USB-Anschluss, um eine SPI-Schnittstelle für die Kommunikation zwischen der Software und dem eingebauten MAX22199 zu erstellen. Das Kit verfügt über einen Pmod™-kompatiblen Anschluss für die SPI-Kommunikation mit einem externen Host-Gerät wie einer MCU oder einem FPGA.Eine grafische Benutzeroberfläche (GUI) ermöglicht die Kommunikation zwischen dem Zielgerät und dem PC. Das MAX22199EVKIT wurde entwickelt, um Transienten-Immunitätstests für ESD, EFT und Surge gemäß IEC 61000-4-2, IEC 61000-61000-4-4 bzw. IEC 61000-4-5 zu unterstützen.
Merkmale
- Einfache Auswertung des MAX22199
- Die Logikseite des EV-Kits wird über USB mit Strom versorgt
- Für IEC 61131-2 Typ 1, 3 konfiguriert
- Galvanische Isolierung mit MAX14483
- Unterstützt die Prüfung der transienten Störfestigkeit nach IEC 61000-4-2, IEC 61000-4-4 und IEC 61000-4-5
- Robustes Design ±2 kV Überspannungstoleranz Leitung-zu-Erde und Leitung-zu-Leitung, ±8 kV Kontakt-ESD und ±15 kV AirGap-ESD an den Feldeingängen
- Windows® 10-kompatible Software
- Vollständig bestückt und getestet
- Bewährtes PCB-Layout
- RoHS-konform
Lieferumfang Kit
- MAX22199EVKIT#, einschließlich MAX22199ATJ+
- Mikro-USB-Kabel
Erforderliche Ausrüstung
- MAX22199 EV-Kit
- 24 V DC-Spannungsversorgung (oder 24 V AC-DC-Adapter mit Hohlstecker)
- Mikro-USB-Kabel
- Windows 10, Windows 8.1, Windows 7, Windows XP PC mit einem freien USB-Anschluss
Systemblockdiagramm
Veröffentlichungsdatum: 2021-11-09
| Aktualisiert: 2023-04-17
