Analog Devices / Maxim Integrated MAX40023/MAX40024 Einzel- und Dual-Verstärker
Die Analog Devices MAX40023/MAX40024 Einzel- & Dual-Verstärker sind für leistungsempfindliche Applikationen optimiert, die einen rauscharmen und sehr niedrigen Eingangs-Ableitstrom (Bias-Strom) erfordern. Die Verstärker verbrauchen einen Versorgungsstrom pro Kanal von weniger als 17 µA (typisch). Sie verfügen außerdem über ein unglaublich geringes Rauschen von nur 32 nV/√Hz. Der Eingangsruhestrom ist < 1 pA bei Raumtemperatur.Merkmale
- Extrem niedriger Eingangs-Bias-Strom: < 1 pA
- Niedriger Ruhestrom: 17 μA (pro Operationsverstärker)
- Niedriges Eingangsspannungsrauschen von 32 nV/√Hz
- Interne EMI-Unterdrückung
- Versorgungsspannungsbereich: 1,6 V bis 3,6 V
- Stromsparender Abschaltmodus
- Erhältlich in 6-Bump-WLP- und 6-Pin-SOT23-Gehäuse (Einzel) sowie 9-Bump-WLP- und 10-Pin-TDFN-Gehäusen (Dual)
Applikationen
- Medizinische Wearables
- Industriesensoren
- Batteriebetriebene Geräte
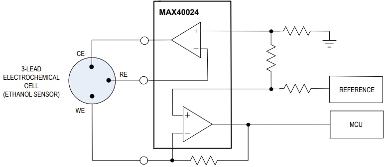
Blockdiagramm
Veröffentlichungsdatum: 2021-07-07
| Aktualisiert: 2023-04-10
