Analog Devices / Maxim Integrated MAX77752 Evaluationskit

Das Maxim Integrated MAX77752 Evaluationskit wird verwendet, um den hochintegrierten MAX77752 PMIC zu demonstrieren.Das Kit enthält ein MAXQ2000-Mikrocontroller-Befehlsmodul mit einer I2C-Schnittstelle zur Steuerungssequenz, Einschaltstrom, individuelles Ein-/Ausschalten des Ausgangs und eine Einstellmöglichkeit für die Ausgangsspannung.Die MAX77752 Evaluationssoftware ist für eine einfache Auswertung ausgelegt.

Merkmale

  • USB zu I2C-Wandler ermöglicht einfache Kommunikation
  • Der Pegelumsetzer (MAX3395) ermöglicht die Anpassung der I2C-Busspannung von 1,8 V auf 3,3 V
  • Die integrierte Elektroniklast ermöglicht eine einfache Evaluierung
  • Die GUI ermöglicht statische/dynamische Lastanpassung für Abwärtswandler, LDO, LSWs und SYS
  • Der MOSFET kann durch einen externen Funktionsgenerator gesteuert werden, um die transiente Leistung für jeden Regler zu bewerten
  • Bewährtes PCB-Referenzdesign und Layout
  • Vollständig bestückt und getestet

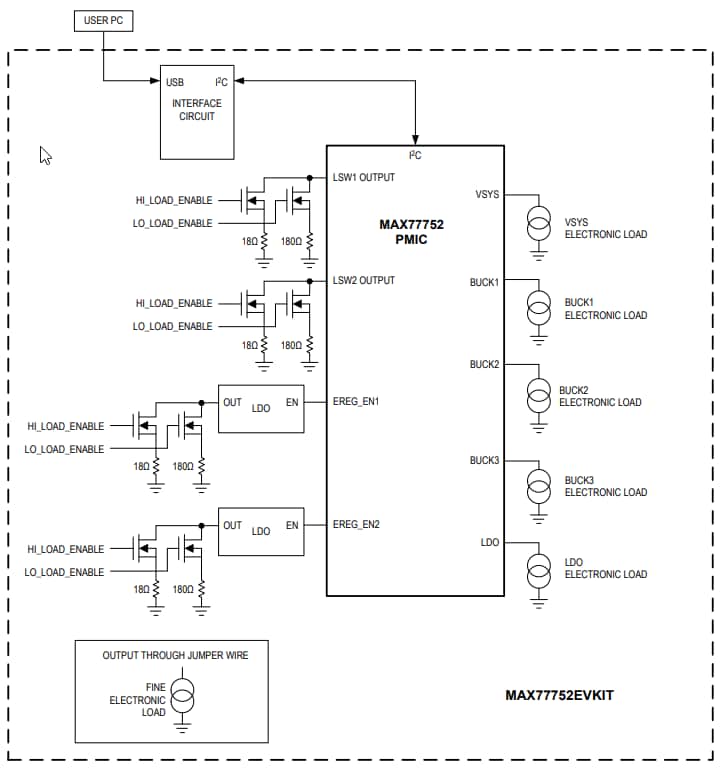
Blockdiagramm

Blockdiagramm - Analog Devices / Maxim Integrated MAX77752 Evaluationskit
Veröffentlichungsdatum: 2018-04-09 | Aktualisiert: 2023-04-12