Broadcom ACPL-M417T Optokoppler
Broadcom ACPL-M417T Optokoppler sind Einkanal-Automotive-Optokoppler mit niedriger Geschwindigkeit und hoher Gain sowie Transistorausgang. Diese Optokoppler sind für den stromsparenden Betrieb mit einem LED-Treiberstrom von 0,3 mA für die Signalgebung mit niedriger Geschwindigkeit ausgelegt. Der niedrige Kollektor-Dunkelstrom verbraucht effektiv keinen Strom, wenn er nicht verwendet wird. Die ACPL-M417T Optokoppler sind AEC-Q101-qualifiziert und sind in einem kompakten SO4-Gehäuse zur Oberflächenmontage für Platzeinsparungen verfügbar. Diese Optokoppler bieten eine Isolationsspannung von 4 kVRMS zwischen Eingangs- und Ausgangskanälen. Die ACPL-M417T Optokoppler bieten eine verstärkte Isolierung und Zuverlässigkeit für eine sichere Signalisolierung in Fahrzeuganwendungen und Hochtemperatur-Industrieapplikationen. Idealerweise werden diese Optokoppler in Elektrofahrzeug-Antriebssträngen, DC/DC-Wandlern, EV-/PHEV-Ladegeräten, HLK und Fehlermeldemodulen verwendet.Merkmale
- Einkanal-Optokoppler mit niedriger Geschwindigkeit
- AEC-Q101-qualifiziert
- -40 °C bis 125 °C automotive-Temperaturbereich
- Spezifikationen über den gesamten Temperaturbereich
- 80 V Kollektor-Emitter-Durchschlagspannung BVCEO (minimum)
- 0,3 mA niedriger Antriebsstrom (IF)
- Enger CTR-Bereich
- SO4-Gehäuse mit 5 mm Kriech- und Luftstrecke
- Behördliche Genehmigungen:
- UL1577, 4 kVVRMS für 1 Minute
- CSA-Zulassung
- IEC/EN 60747-5-5 VIORM = 567 VSpitze
Applikationen
- Antriebsstränge für Elektrofahrzeuge (EV)
- DC/DC-Wandler
- EV-/PHEV-Ladegeräte
- HVAC
- Störungsmeldemodule
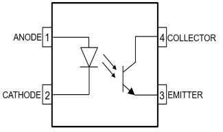
Funktionsdiagramm
Zeichnung der Gehäuseabmessungen
Veröffentlichungsdatum: 2024-03-11
| Aktualisiert: 2024-03-22
