Infineon Technologies TLE7209-3R 7A-Halbbrücke für DC-Motor-Applikationen
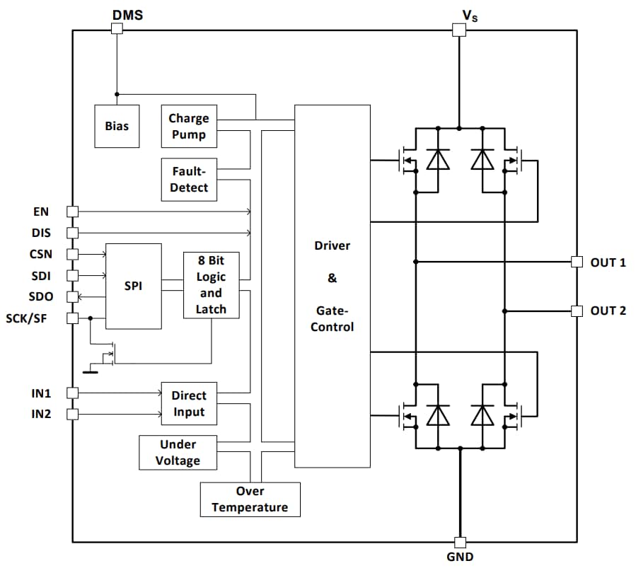
Die Infineon Technologies TLE7209-3R 7A-Halbbrücke für DC-Motor-Applikationen ist zur Steuerung von DC- und Schrittmotoren in sicherheitskritischen Applikationen bei extremen Umgebungsbedingungen ausgelegt.Die TLE7209-3R Halbbrücke ist gegen Übertemperatur und Kurzschluss geschützt. Die Halbbrücke verfügt über eine Unterspannungssperre für alle Versorgungsspannungen „VS“ (DC-Hauptstromversorgung).Alle Fehlfunktionen bewirken einen Tri-State der Ausgangsstufen. Das Bauteil ist über den DMS-Pin konfigurierbar. Wenn das Bauteil geerdet ist, gibt es über eine einfache Fehlermeldung Diagnoseinformationen aus. Wenn das Bauteil mit VCC = 5 V versorgt wird, arbeitet das Bauteil im SPI-Modus. In diesem Modus sind detaillierte Fehlerdiagnosen über eine serielle Schnittstelle verfügbar.Merkmale
- Betriebsversorgungsspannung 5 V bis 28 V
- Typischer RDSon = 150 mΩ für jeden Ausgangstransistor (bei 25 °C)
- DC-Dauerlaststrom von 5 A (TC < 100 °C)
- Ausgangsstrombegrenzung bei 6,6 A ± 1,1 A (typisch)
- Kurzschlussabschaltung für Ausgangsströme über 8 A
- Logic-Eingänge TTL-/CMOS-kompatibel
- Ausgangsschaltfrequenz bis zu 30 kHz
- Anstiegs- und Abfallzeiten für 0,5 bis 2 kHz optimiert
- Übertemperaturschutz
- Kurzschlussschutz
- Unterspannungssperrfunktion
- Diagnosefunktionen über SPI- oder Status-Fehlermeldungen (konfigurierbar)
- Sperr- und Freigabe-Eingänge
- PG-DSO-20-65 Leistungspaket
- Grünes Produkt (RoHS-konform)
Blockdiagramm
Veröffentlichungsdatum: 2018-06-19
| Aktualisiert: 2024-12-10
