MEAN WELL XLG-150-/200-Baureihe LED-Treiber
Die XLG-150/200 LED-Treiber von MEAN WELL verfügen über ein Konstantleistungsmodus-Design, das Kunden das Entwerfen und Anpassen des Treiberstroms für verschiedene LED-Lichtquellen ermöglicht. Diese 150-W-/200-W-Konstantleistungsmodus-LED-Treiber bieten einen hohen Wirkungsgrad von bis zu 94 % mit einer typischen Lebensdauer von mehr als 50.000 Stunden. Die Treiber sind mit einer 3-in-1-Verdunkelung (Dim-to-Off) und einstellbarem Ausgang über verschiedene Potentiometer-Funktionen erhältlich. Die XLG-150/200-Baureihe wird in einem Metallgehäuse-Design mit einer Funktionserde hergestellt. Die Treiber bieten zudem eine IP67-Schutzart, wodurch sich die XLG-150/200 LED-Treiber hervorragend für Innen- und Außeninstallationen eignen.Merkmale
- Konstantleistungsmodusausgang
- Metallgehäuse-Design
- Eingebaute aktive PFC-Funktion
- Stromverbrauch unter Nulllast/Standby-Verbrauch
- IP67-Schutzklasse für Innen- und Außenanlagen
- Klasse 2 Netzanschlussgerät
- Typische Lebensdauer von mehr als 50.000 Stunden
- Einstellbarer Ausgang über Potentiometer
- 3-in-1-Verdunkelungsfunktion (Dim-to-Off)
- 5 Jahre Garantie
Applikationen
- LED-Straßenbeleuchtung
- LED-Gebäudebeleuchtung
- LED-Buchtbeleuchtung
- LED-Flutbeleuchtung
- Typ „HL“ für den Einsatz in explosionsgefährdeten Bereichen der Klasse I und Unterklasse 2
Videos
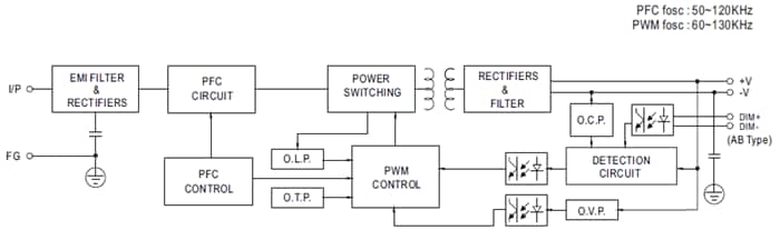
Blockdiagramm
Additional Resource
Veröffentlichungsdatum: 2019-05-10
| Aktualisiert: 2023-08-29
