Microchip Technology EV32R56A Referenzdesign
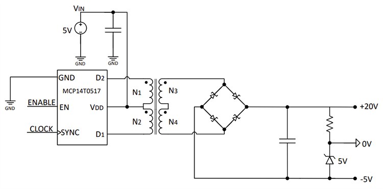
Microchip Technology EV32R56A Referenzdesign ist ein isolierte Vorspannunggenerator für Siliziumkarbid (SiC) Gate-Treiber aufgrund das MCP14T0517B Push-Pull Transformator-Treiber. Der Treiber arbeitet mit einer Eingangsspannung von 5 V. Die Platine liefert eine galvanisch getrennte und geregelte Vorspannung von +20 V in Bezug auf 0 V und -5 V in Bezug auf 0 V bei einem Spannungstrom von bis zu 100 mA. Das Mikrochip Board verfügt über einen konfigurierbaren ENABLE-Pin zur externen Steuerung und Synchronisierung. Die MCP14T0517A/B-Treiber sind für Applikationen mit kleiner Baugröße und isolierter Stromversorgung mit einer Schaltfrequenz von 150 kHz für MCP14T0517A und 450 kHz für MCP14T0517B ausgelegt. MCP14T0517A/B ermöglicht die Synchronisierung mit mehreren Bauteile und den Betrieb bei höheren Frequenzen durch Anlegen eines externen Uhr von bis zu 1.000 kHz.Merkmale
- Basierend auf dem MCP14T0517B Push-Pull-Transformator-Treiber
- 5 V Eingangsspannung (VIN)
- Ausgangsspannungen
- +20 V in Bezug auf 0 V
- -5 V in Bezug auf 0 V
- Bis zu 100 mA Ausgangsstrom für die Ausgangsspannung von +25 V bezüglich -5V.
- 450 kHz Schaltfrequenz
- Übertemperatur- und Überstromschutz
- RoHS-konform
Applikationen
- Isolierte Stromversorgungen für SiC/Si-MOSFETs und IGBTs
- Vorspannungsgeneratoren für isolierte Kommunikationsschnittstellen (CAN, LIN, USB usw.)
- Vorspannungsgeneratoren für isolierte Sensorschaltungen
Lieferumfang Kit
- Isolierter Vorspannungsgeneratoren für SiC-Gate-Treiber-Referenzdesign-PCB (EV32R56A)
- Zwei 3 Pin 2,54 mm Stiftleisten für Eingangs- und Ausgangssignale
- Wichtiges Informationsblatt
Blockdiagramm
Übersicht
Veröffentlichungsdatum: 2026-01-20
| Aktualisiert: 2026-02-02
