Microchip Technology XIFM Gate-Treiber
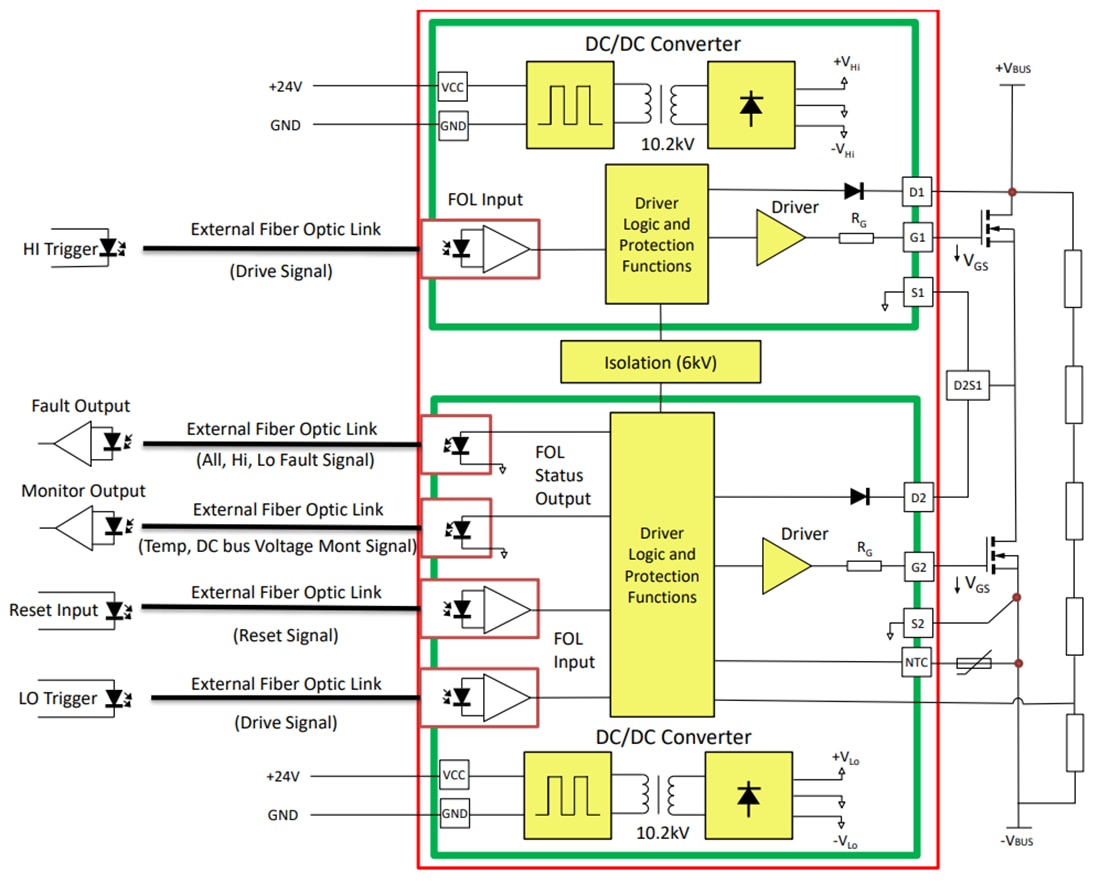
Der Microchip XIFM Gate-Treiber ist ein intelligenter, isolierter™ Plug-and-Play-mSiC-Gate-Treiber, der für den Antrieb von 3,3 kV SiC-Modulen in Hochspannungs-Gehäusen (HV), wie z. B. HV LinPak/HV100, ausgelegt ist. Der Microchip XIFM Gate-Treiber enthält eine gate-drive-Steuerung, ein Netzteil, eine Glasfaserschnittstelle und eine Hochspannungsisolierung (10,2 kV).Merkmale
- Unterstützt 3,3 kV HV100/LinPak SiC-Module
- 10,2 kV Primär- zu Sekundärisolierung
- Erweiterte Schaltung (konfigurierbares Ein- und Ausschalten)
- Überwachungsfunktionen (isolierte Temperatur, DC-link-Überwachung)
- Erweiterte Schutzfunktion (UVLO, OVLO, Desat, negativer Temperaturkoeffizient (NTC))
- 2 x 10 W Ausgangsleistung
- 15 A Quellen-/Senken-Spitzenstrom
- Konfigurierbare gate-Ausgangsspannungen
- Soft-ShutDown-Zeit (SSD) und Spannungspegel
- Gemäß den Standards qualifiziert
- Schienenverkehr-standard EN50155
- EMV-konform mit EN 50121-3-2, EN 61000-6-4
- Stoß- und Vibrationsfestigkeit gemäß EN 61373
- Brandgefahr Stufe HL2
Applikationen
- Schienenzug (Hilfs- und Antriebssysteme)
- Batterieladesysteme
- Intelligentes Stromnetz/netzgebundene Verteilungsgenerierung
- Unterbrechungsfreie Stromversorgungssysteme (USV)
- Industrielle Motorantriebe
- Schwerlast-Ausrüstungen
- Mittelspannungs-Ladegeräte/Schnellladegeräte
Grundlegender Schaltplan
Veröffentlichungsdatum: 2025-01-13
| Aktualisiert: 2025-01-31
