Monolithic Power Systems (MPS) MP3320N RGB LED drivers

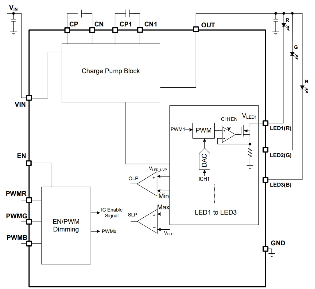
Monolithic Power Systems (MPS) MP3320N RGB LED drivers are 3-channel, charge pump RGB LED drivers with a wide input voltage range of 1.8V to 5.5V (VIN). The maximum current for each channel is up to 100mA. The MP3320N drivers integrate a self-adaptive charge pump block, and the maximum output voltage (VOUT) is up to 5.5V. These drivers support separated Pulse Width Modulation (PWM) dimming with an external PWM signal input for each LED channel. The MP3320N LED drivers also support internal, customized, and default LED current amplitude functions. These drivers include LED open protection, LED short protection, Over-Voltage Protection (OVP), and Over-Temperature Protection (OTP) to ensure system reliability. The MP3320N RGB LED drivers are mainly used in wearable devices, LED indicators, and smart and intelligent devices.

Features

  • High-efficiency
  • Internal and self-adaptive charge pump
  • 1.8V to 5.5V input voltage (VIN) range
  • 5.5V maximum output voltage (VOUT)
  • 3 channels, maximum 100mA/channel
  • 1x, 1.5x, or 2x charge pump auto-transfer rate
  • 8-bit customized default LED current amplitude for each channel
  • Separated Pulse-Width Modulation (PWM) dimming for each channel
  • LED open protection
  • LED short protection
  • Over-Temperature Protection (OTP) in hiccup mode
  • Available in a QFN-14 (2mm x 2mm) package

Applications

  • Wearable devices
  • LED indicators
  • Smart and intelligent devices

Application Circuit Diagram

Application Circuit Diagram - Monolithic Power Systems (MPS) MP3320N RGB LED drivers

Block Diagram

Block Diagram - Monolithic Power Systems (MPS) MP3320N RGB LED drivers
Veröffentlichungsdatum: 2024-06-14 | Aktualisiert: 2024-06-27