Nexperia BC869-Q Leistungstransistoren

Die Leistungstransistoren der Baureihe BC869-Q von Nexperia sind 20 V/2 A PNP-Mittelleistungstransistoren in einem SOT89 (SC-62)-Gehäuse mit flachen Anschlussdrähten aus Kunststoff. Diese Transistoren sind oberflächenmontierte Bauteile (SMD), die für Applikationen wie Linear-Spannungsregler, High-Side-Schalter und MOSFET-Treiber entwickelt wurden. Die Transistoren der Baureihe BC869-Q verfügen über einen freiliegenden Kühlkörper für hervorragende thermische und elektrische Leitfähigkeit und leistungsstarke Dissipationsfähigkeit. Diese Transistoren sind nach AEC-Q101 qualifiziert und für den Einsatz in Fahrzeuganwendungen empfohlen. Die Transistoren der Baureihe BC869-Q eignen sich ideal für Linear-Spannungsregler, High-Side-Schalter, batteriebetriebene Bauteile Leistungsmanagement, MOSFET-Treiber und Verstärker.

Merkmale

  • Hochstrom
  • Drei verschiedene Stromverstärkungen
  • Leistungsstarke Dissipationsfähigkeit
  • Exponierter Kühlkörper für hervorragende thermische und elektrische Leitfähigkeit
  • Kabelloses, sehr kleines SMD-Kunststoffgehäuse mit mittlerer Leistung
  • Nach AEC-Q101 qualifiziert und für den Einsatz in Fahrzeuganwendungen empfohlen

Applikationen

  • Linear-Spannungsregler
  • High-Side-Schalter
  • Akkubetriebene Bauteile
  • Leistungsmanagement
  • MOSFET-Treiber
  • Verstärker

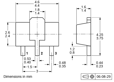
Gehäuseabmessungen

Technische Zeichnung - Nexperia BC869-Q Leistungstransistoren
Veröffentlichungsdatum: 2025-06-30 | Aktualisiert: 2025-08-19