Nexperia NCA9547A 8-Kanal-I²C-BUS-Multiplexer
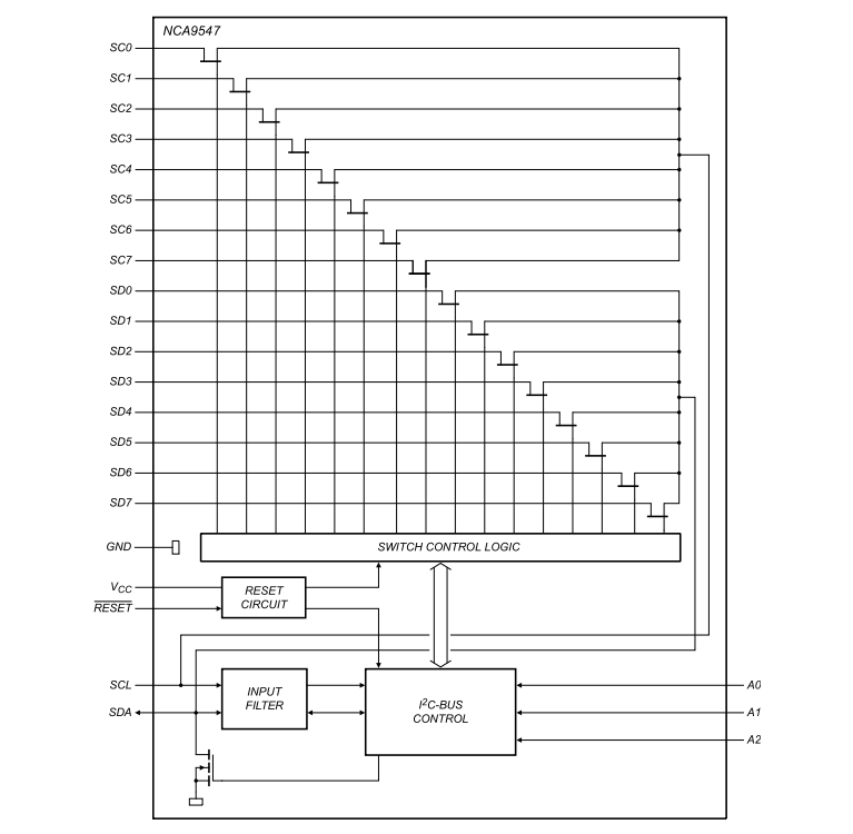
Nexperia NCA9547A 8-Kanal-I2C-Bus-Multiplexer sind oktale bidirektionale Umsetzungsbauteile, die vom I2C-Bus verwaltet werden. Das vorgelagerte SCL/SDA-Paar wird auf acht nachgeschaltete Paare oder Kanäle aufgefächert. Es kann jeweils nur ein SCn/SDn-Kanal ausgewählt werden, der durch die Inhalte des programmierbaren Steuerregisters bestimmt wird. Das Bauteil wird mit angeschlossenem Kanal-Null eingeschaltet, wodurch eine sofortige Kommunikation zwischen dem Regler und den nachgelagerten Bauteilen (Ziele) auf diesem Kanal ermöglicht wird.Ein aktiver LOW-Reset-Eingang ermöglicht dem NCA9547A, sich aus einer Position zu erholen, in der ein nachgeschalteter I2C-Bus in einem LOW-Zustand feststeckt. Durch Ziehen des Reset-Pins auf LOW wird die I2C-Bus-Statusmaschine zurückgesetzt, wodurch alle Kanäle außer Kanal Null abgewählt werden, sodass der Regler die Kontrolle über den Bus wiedererlangen kann.
Die Schalter-Pass-Gates implementieren den VCC -Pin, der verwendet werden kann, um die maximale Hochspannung zu begrenzen, die der NCA9547A von Nexperia durchlässt. Diese Funktion ermöglicht die Verwendung unterschiedlicher Bus-Spannungen auf jedem Paar, sodass Bauteile von 1,8 V, 2,5 V oder 3,3 V ohne zusätzlichen Schutz mit Bauteilen von 5 V kommunizieren können.
Die externen Pull-Up-Widerstände erhöhen den gewünschten Spannungspegel für jeden Kanal. Die I/O-Pins sind 6-V-tolerant.
Merkmale
- Bidirektionale 1-von-8-Umsetzungsmultiplexer.
- I2C-Bus-Schnittstellen-Logikschaltung kompatibel mit SMBus-Standards
- Aktiver LOW-Reset-Eingang
- Drei Adresspins ermöglichen bis zu acht Geräte am I2C-Bus
- Kanalauswahl über I2C-Bus, jeweils ein Kanal
- Einschalten mit allen Kanälen deaktiviert, mit Ausnahme von Kanal Null, der verbunden ist
- Multiplexer mit geringem Ron
- Ermöglicht eine Spannungspegelumsetzung zwischen den Bussen von 1,8 V, 2,5 V, 3,3 V und 5 V
- Keine Spannungsspitze beim Einschalten
- Unterstützt die Einführung bei eingeschaltetem Gerät
- Niedriger Standby-Strom
- Betriebsspannungsbereich der Versorgungsspannung von 1,65 V bis 5,5 V
- 6V-tolerant eingänge
- Taktfrequenz: 0 Hz bis 400 kHz
- Latch-up-Tests werden nach dem JEDEC-Standard JESD78 durchgeführt, der 100 mA übertrifft
- Zwei Gehäusearten werden angeboten: TSSOP24 und HWQFN24
- ESD-Schutz:
- HBM ANSI/ESDA/JEDEC JS-001 Klasse 2 übersteigt 2 kV
- CDM: ANSI/ESDA/JEDEC JS-002 Klasse C3 übersteigt 1 kV
- Spezifiziert von -40 °C bis +85 °C und von-40 °C bis +125 °C
Applikationen
- Batteriebetriebene Geräte
- Sensoren
- Tastaturen
- Drucktasten
- LED-Steuerung zur Regelung der LED-Helligkeit
Vereinfachte Applikation
Blockdiagramm
