Nexperia SOT8015 oberflächenmontierbare Gehäuseprodukte
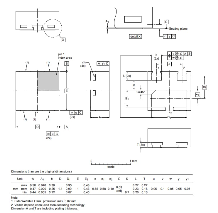
Die oberflächenmontierten SOT8015-Gehäuseprodukte von Nexperia bieten ein extrem dünnes, unbedrahtetes Kunststoffgehäuse mit kleinen Konturen und seitlich benetzbaren Flanken (SWF). Der SOT8015 hat drei Anschlüsse, einen Raster von 0,65 mm und ein Gehäuse von 1,1 mm x 1 mm x 0,48 mm. Das SOT8015-Gehäuse verfügt über einen beschreibenden Gehäusestilcode von HUSON (thermisch verbesserter, extrem dünner kleiner Umriss, keine Anschlüsse) und einen Footprint von 1,4 mm x 1,8 mm. Die SOT8015-Bauteile von Nexperia haben eine 2,52 mm2 Footprint-Fläche.Merkmale
- B (unten) Code der Klemmenposition
- HUSON3 Beschreibender Code für die Gehäuseausführung
- DFN1110D-3 Industriecode für die Gehäuseausführung
- HUSON-Gehäuse (thermisch verbessertes, ultradünnes, kleines Gehäuse, ohne Anschlüsse) Beschreibender Code
- Gehäusematerialtyp: P (Kunststoff)
- MO-340BA JEDEC-Gehäuseumriss-Code
- S (Oberflächenmontage) Montageart
- Keine detaillierten grafischen Referenzen des Gehäuseumrisses
- 29.11.2019 Veröffentlichungsdatum
- SOT8015 Hersteller-Gehäusecode
- 1,4 mm x 1,8 mm Footprint-Abmessungen
- 2,52 mm2 Footprint-Fläche
Gehäuse Zusammenfassung
Videos
Gehäuseabmessungen
Veröffentlichungsdatum: 2022-07-22
| Aktualisiert: 2025-10-23
