NXP Semiconductors NVT4858 Dual-Spannungspegelumsetzer
NXP Semiconductors NVT4858 Bidirektionale Dual-Spannungspegelumsetzer sind für die Verbindung zwischen einem Speicher oder einer SIM-Karte ausgelegt, die mit Signalpegeln zwischen 1,65 V bis 3,6 V und einem Host mit einer Versorgungsspannung von 1,08 V bis 1,95 V betrieben werden. Die SD-3.0-konformen bidirektionalen Dual-Spannungspegelumsetzer mit automatischer Richtungssteuerung unterstützen SD 3.0 SDR104, SDR50, DDR50, SDR25, SDR12, SDR12 und SD 2.0 Hochgeschwindigkeits- (50 MHz) und Standardgeschwindigkeitsmodi (25 MHz).Die NVT4858 Dual-Spannungspegelumsetzer von NXP verfügen über eine automatische Aktivierungs-/Deaktivierungsfunktion, die mit demVCCB-Versorgungspin, integrierten EMI-Filtern und einem robusten ESD-Schutz (IEC 61000-4-2, Stufe 4) aufVCCB oder einem beliebigen kartenseitigen Pin verbunden sind. Diese Funktionen ermöglichen, dass keine externen ESD-Dioden erforderlich sind. Darüber hinaus unterstützt der NVT4858 den SIM-Karten-Spannungspegelumsetzer mit CLK und zwei Datenleitungen für SD- und SIM-Karten-Kombisockel.
Merkmale
- Unterstützt eine Taktrate von bis zu 208 MHz
- Mit der SD 3.0 Spezifikation konforme Spannungsumsetzung zur Unterstützung von SDR104, SDR50, DDR50, SDR25, SDR12, Hochgeschwindigkeits- und Standardgeschwindigkeitsmodi
- Mit allen ETSI, IMT-2000 und ISO-7816-SIM/Smart-Card-Schnittstellen-Anforderungen konform
- Unterstützt SD-/SIM-Karten-Versorgungsspannungen mit einem Bereich von 1,65 V bis 3,6 V
- Host-Mikrocontroller-Betriebsspannungsbereich: 1,08 V bis 1,95 V
- Rückkopplungskanal für Taktsynchronisierung
- Geringer Stromverbrauch durch Push-Pull-Endstufe mit Break-before-make-Architektur
- Automatische Aktivierung und Deaktivierung über VCCB
- Integrierte Pull-Up- und Pull-Down-Widerstände: keine externen Widerstände erforderlich
- Integrierte EMI-Filter unterdrücken höhere Oberschwingungen von digitalen I/Os
- Integrierter 8-kV-ESD-Schutz gemäß IEC 61000-4-2, Stufe 4 auf VCCB oder einem der kartenseitigen Pins – externe ESD-Dioden sind nicht erforderlich
- Pegelverschiebungsbuffer halten die ESD-Belastung vom Host fern (Null-Klemmkonzept)
- Erhältlich in XQFN16 mit einem Rastermaß von 0,4 mm und WLCSP16 mit einem Rastermaß von 0,35 mm
Applikationen
- Smartphones
- Mobilfunk-Handgeräte
- Digitalkameras
- Tablets
- Laptops
- SD-, MMC- oder microSD-Kartenleser
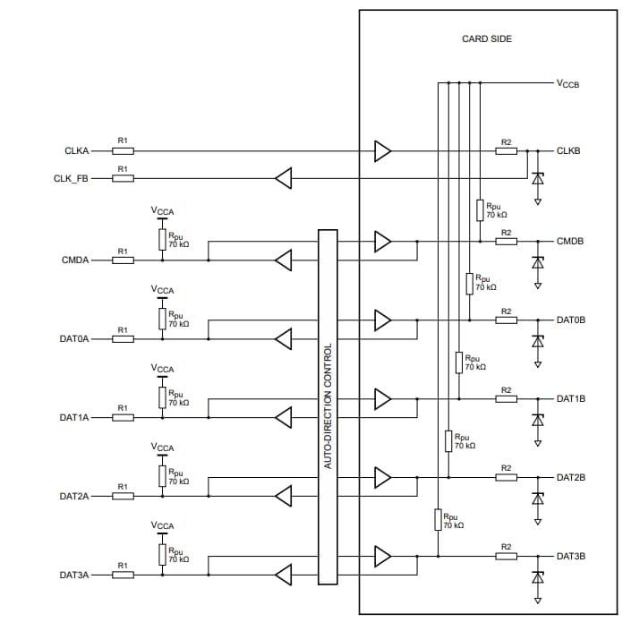
Blockdiagramm
Funktionsdiagramm
Veröffentlichungsdatum: 2021-12-02
| Aktualisiert: 2023-03-23
