NXP Semiconductors TJA144x Automotive-CAN-FD-Transceiver
NXP Semiconductors TJA144x Automotive-CAN-FD-Transceiver bieten eine Schnittstelle zwischen einem Controller-Area-Network (CAN) oder flexiblen CAN-Datenraten(FD)-Protokoll-Controller und dem physischen Zweidraht-CAN-Bus. Die TJA144x-Ausführungen von NXP umfassen den TJA1441 (Basic-CAN), TJA1442 (Standby-Modus-CAN), TJA1443 (Schlafmodus-CAN) und TJA1448 (Zweikanal-Standby-Modus-CAN). Alle Ausführungen ermöglichen eine zuverlässige Kommunikation in der schnellen CAN-FD-Phase bei Datenraten von bis zu 5 MBit/s.Der TJA144x ist als einfacher Ersatz für klassische CAN- und CAN-FD-Hochgeschwindigkeits-Transceiver ausgelegt. Die Bauteile bieten eine Pin-Kompatibilität und sind zur Vermeidung von Änderungen des Hardware- und Software-Designs ausgelegt. Diese Funktionen ermöglichen eine einfache Nachrüstung des TJA144x auf bestehende Applikationen.
Die TJA144x Automotive-CAN-FD-Transceiver von NXP sind AEC-Q100 Klasse 0 qualifiziert und sind für Hochtemperaturapplikationen verfügbar, die einen Betrieb bei einer Umgebungstemperatur von 150 °C unterstützen.
Merkmale
- HS-CAN und CAN-FD von bis zu 5 MBit/s
- Konform mit ISO 11898-2:2016 und SAE J2284-1 bis -5 und SAE J1939-14
- Vollständig interoperabel mit klassischen CAN- und CAN-FD-Hochgeschwindigkeits-Transceivern
- VeLIO-konform
- AEC-Q100 Klasse 1 qualifiziert (Umgebungstemperatur = 125 °C)
- AEC-Q100 Klasse 0 verfügbar (Umgebungstemperatur = 150 °C) (TJR144x)
- Hervorragende ESD-Robustheit von ±8 kV bei HBM gemäß IEC 61000-4-2
- Erhältlich in SO- und HVSON-Gehäuse
- Robustes Design mit Selbstdiagnosefunktionen
- Lückenfreies, vorhersehbares und ausfallsicheres Verhalten über den gesamten Bereich von Produktbegrenzungswerten
- Übertemperaturschutz
- Für 20PPB ausgelegt
- Sehr umweltfreundliches Produkt (RoHS-konform)
- Pin-zu-Pin- und Software-kompatibel mit HS-CAN-Produkten der älteren Generation von NXP
Applikationen
- Karosserieelektronik und Komfort
- Konnektivität
- Infotainment und IVE
- Antriebsstrang und Fahrzeugdynamik
- Fahrzeugnetzwerke
- Industrie
TJR1441 Blockdiagramm
TJR1442 Blockdiagramm
TJR1443 Blockdiagramm
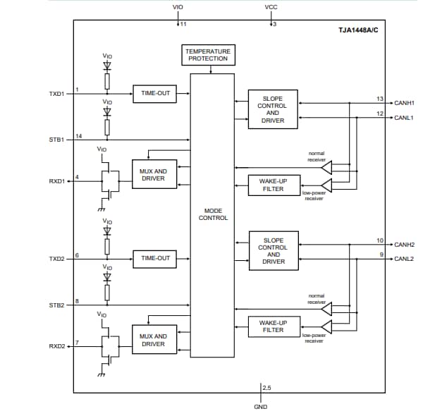
TJR1448 Blockdiagramm
Veröffentlichungsdatum: 2021-02-10
| Aktualisiert: 2024-09-09
