Die NBXSBx024, NBXSBA025 und NBVSBAXXX sind PureEdge™ Schwingquarz-Bauteile (XO), die gemäß den heutigen Anforderungen an 2,5V/3,3V LVPECL Taktgenerator-Anwendungen konzipiert sind. ON Semiconductor NBVSBAXXX spannungskontrollierte Schwingquarze (VCXO) verwenden eine Grundmode-Quarz mit hoher Güte und einen (PLL-) Phasenregelschleifen-Multiplizierer, um einen großen Frequenzbereich von 60MHz bis 700MHz (konfigurierbar ab Werk nach Benutzerspezifikationen) mit einem Ziehbarkeitsbereich von ±100ppm und einer Frequenzstabilität von ±50ppm zu bieten. Die NBXSBX024 Einfachfrequenz-Schwingquarze verwenden eine Grundmode-Quarz mit hoher Güte und (PLL-) Phasenregelschleifen-Multiplizierer, um 622,08MHz zu leisten, sehr niedrigen Jitter und einen differentiellen Ausgang für Phasengeräusch LVPECL zu produzieren. Die NBXSBA025 Einkanal-XO leisten 425,00MHz. Der ON Semiconductor NB3N65027 LVCMOS PLL−synthetisierte Taktgenerator akzeptiert als Bezugsquelle einen 10MHz bis 27MHz Takt oder grundlegendes Modus-Quarz, und treibt drei unabhängige, niedrige Phasenregelschleifen (PLLs) an.
Merkmale
LVPECL differentieller Ausgang
Spannungskontrolle mit positivem Gefälle
Verwendet eine Grundkonstruktion aus Quarz mit hohem Q-Faktor
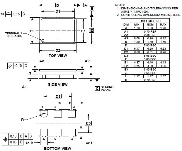
Hermetisch abgedichtetes SMD-Paket
Bleifrei und RoHS-konform
Technische Daten
Betriebsbereich: 2,5V ±5%, 3,3V ±10%
Sehr geringer Jitter/Phasengeräusch: −0,5ps (12kHz − 20MHz)