onsemi / Fairchild FSB50825AB Intelligentes Leistungsmodul
Das intelligente Leistungsmodul FSB50825AB (SPM®) von ON Semiconductor ist eine kompakte Umrichter-Lösung für kleine Motorantriebs-Applikationen. Dieses Modul umfasst sechs Fast-Recovery-MOSFETs (FRFET) und drei Halbbrücken-Hochspannungs-integrierte Schaltkreise (HVICs) für FRFET Gatter-Antrieb. Das FSB50825AB sorgt für niedrige EMI-Eigenschaften mit optimierter Schaltgeschwindigkeit. Dieses SPM verfügt über eine integrierte Bootstrap-Diode und ist in einem SPM23DD-21L-Gehäuse verfügbar. Das SPM23DD-21L-Gehäuse ist für die thermische Leistungsfähigkeit und Kompaktheit optimiert, dank der es für eingebaute Motor-Applikationen geeignet ist. Dieses SPM enthält auch drei geteilte negative Gleichstrom-Link-Anschlüsse für Umrichter-Stromabtastapplikationen. Das FSB50825ABSPM ist ideal für den Einsatz im dreiphasigen Umrichter-Antrieb für kleine Wechselstrom-Motorantriebe.Merkmale
- 250VRDS(on)=0.45Ω (max) 3-phase FRFET inverter including High Voltage Integrated Circuit (HVIC)
- Three divided negative DC-link terminals for inverter current sensing applications
- HVIC for gate driving and under-voltage protection
- Optimized for low electromagnetic interference
- Isolation voltage rating of 1500VRMS for 1min
- HVIC temperature sensing
- An embedded bootstrap diode in the package
- RoHS compliant
Technische Daten
- 20V control supply voltage (VCC)
- -0.3 ~ VCC +0.3V input signal voltage (VIN)
- 250V (maximum) repetitive reverse voltage (VRRMB)
- 0.5A forward current (IFB) @ TC=25ºC
- -40ºC ~ 150ºC operating junction temperature (TJ)
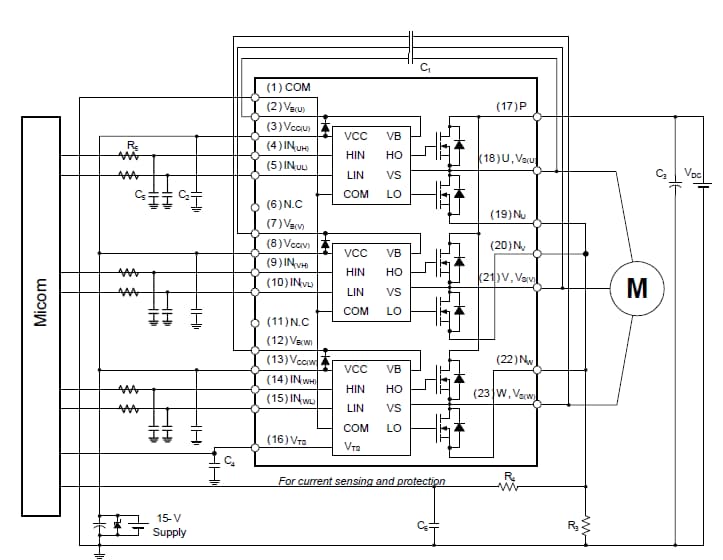
Application Circuit
Veröffentlichungsdatum: 2017-04-06
| Aktualisiert: 2022-03-11
