onsemi NCP3237 Integrierter synchroner Abwärtswandler
Der onsemi NCP3237 integrierte synchrone Abwärtswandler enthält Leistungs-MOSFETs für einen hohen Wirkungsgrad für eine kompakte Leistungsmanagementlösung. Der NCP3237 unterstützt einen Ausgangsstrom von bis zu 8 A über einen großen Ausgangsspannungsbereich von 0,6 V bis 12 V (bis zu 80 % von VIN). Der NCP3237 bietet einen Festfrequenzregler für rauschempfindliche Systeme in einem QFN18-Gehäuse von 3,5 mm x 3,5 mm.Merkmale
- Erzwungener CCM
- 4,7 V bis 16 V VIN
- VOUT = 0,6 V bis 0,80 *VIN und bis zu 12 V
- Integrierte Leistungs-MOSFETs
- Ausgangsstrom von bis zu 8 A
- Integrierter 5-V-LDO
- Programmierbare Schaltfrequenz von 300 kHz bis 1,2 MHz
- Sowohl High-Side- als auch Low-Side-OCP-Betrieb
- Hiccup-Überstromschutz
- Hiccup-Über- und Unterspannungsschutz
- Überbrückbarer Übertemperaturschutz
- 3,5 mm x 3,5 mm FCQFN18-Gehäuse
- Sicherer Start in vorgespannte Ausgangsspannung
Applikationen
- Basisstation/Funkeinheiten
- Punktlast
- Telekommunikation und Netzwerke
- Server- und Speichersystem
Typische Applikations-Schaltung
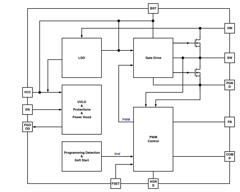
Funktionales Blockdiagramm
Veröffentlichungsdatum: 2021-08-09
| Aktualisiert: 2024-01-04
