onsemi NCP125x Current-Mode PWM Controllers
onsemi NCP125x Current-Mode PWM Controllers are capable of delivering a rugged and high-performance offline power supply in a tiny TSOP-6 package. With a supply range up to 35V, onsemi NCP125x controller hosts a jittered 65kHz or 100kHz switching circuitry operated in peak current mode control. When the power on the secondary side starts to decrease, the controller automatically folds back its switching frequency down to a minimum level of 26kHz. As the power further goes down, the part enters a skip cycle while limiting the peak current.Features
- Fixed-frequency 65 current-mode control operation
- Frequency foldback down to 26kHz and skip-cycle in light load conditions
- Internal fixed 4ms soft-start
- Timer-based auto-recovery short-circuit protection
- Frequency jittering in normal and frequency foldback modes
- Option for auto-recovery or latched short-circuit protection
- Up to 28V VCC operation
- Low No-Load standby power
- Lead-free
Applications
- Offline adapters
- AC-DC converters
- Set-top boxes
- Printers
- Notebooks and netbooks
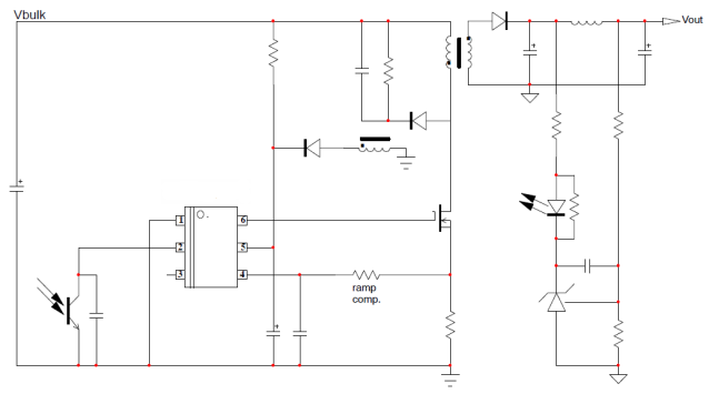
NCP1250/NCP1251 Application Circuit
NCP1253 Application Circuit
Veröffentlichungsdatum: 2012-03-27
| Aktualisiert: 2022-03-11
