Power Integrations BridgeSwitch™ Family
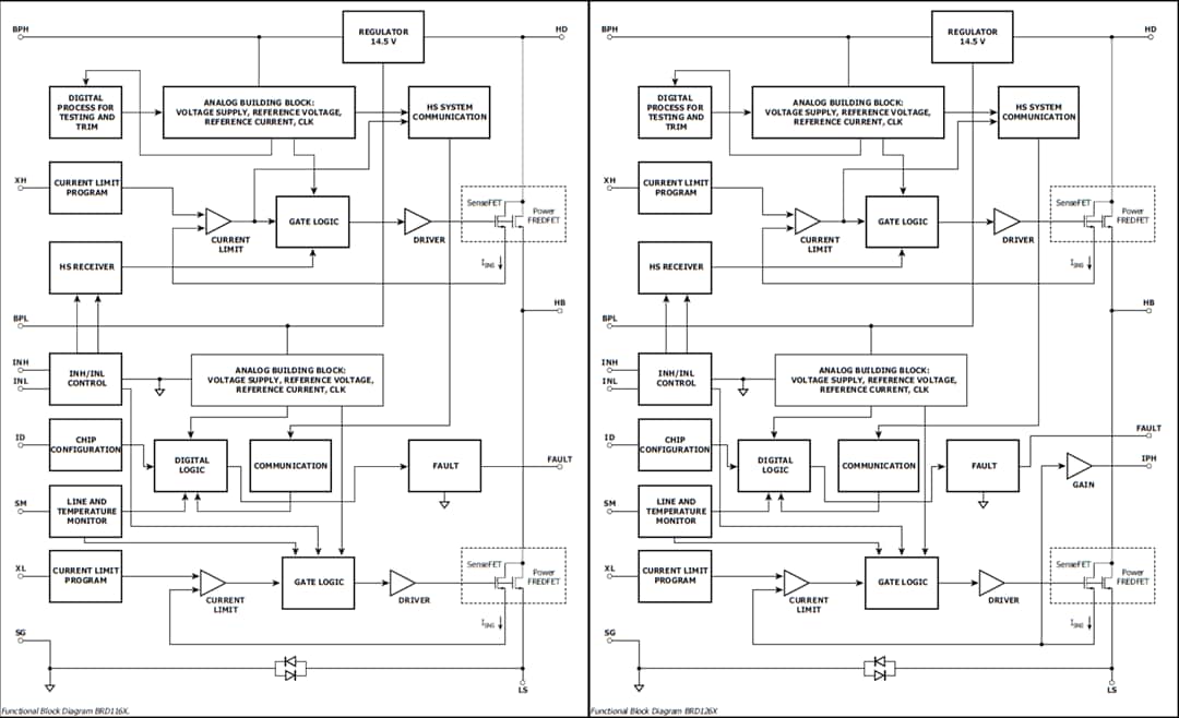
Power Integrations BridgeSwitch Family devices are high-voltage, self-powered, and Integrated Half-Bridge (IHB) motor drivers. The BridgeSwitch family from Power Integrations dramatically simplifies the development and production of high-voltage inverter-driven 1- or 3-phase PM or BLDC motor drives. These motor drives incorporate two high-voltage N-channel power FREDFETs with low and high-side drivers in a single small-outline package. The internal power FREDFETs offer ultra-soft and ultra-fast diodes ideally suited for hard-switched inverter drives. Both drivers are self-supplied, eliminating the need for an external auxiliary power supply. BridgeSwitch provides a unique instantaneous phase current output signal, simplifying the implementation of sensor-less control schemes. The low-profile, compact footprint surface mount package offers extended creepage distances and allows heat sinking of both power FREDFETs through the printed circuit board.Features
- Highest performance and design flexibility
- Fully integrated half-bridge stage with up to 99.2% efficiency:
- Eliminates external heat sink at rated continuous RMS current
- 600V N-channel power FREDFETs
- Ultra-soft and fast recovery diode
- Accurate instantaneous phase current information output (BRD126X)
- Eliminates external sensing and amplification circuitry
- Self-biased low-side and high-side drivers
- Eliminates the need for an auxiliary power supply
- Small footprint surface mount in SOP-24C package
- Exposed pads enable heat sinking through PCB
- Controlled FREDFET switching speed reduces EMI
- Fully integrated half-bridge stage with up to 99.2% efficiency:
- Enhanced safety and reliability
- Adustable cycle-by-cycle current limit for both FREDFETs
- Fail-safe operation
- Internal dual level thermal overload protection
- Self-configuring system level monitoring input
- Four level DC bus undervoltage
- DC bus overvoltage
- System temperature
- Adaptive dead time
- Simultaneous conduction lockout protection
- Adustable cycle-by-cycle current limit for both FREDFETs
- Status interface
- Bi-directional bussed open Drain single wire interface
- Reports status updates to system MCU
- Successful power-up
- Internal over-current or temperature faults
- System-level faults
- Includes device identification
- Status query through system MCU
- Device fault reset through system MCU
Applications
- 1- or 3-phase high-voltage PM and BLDC motor drives
- Up to 400W typical inverter output power
- Appliances, including dishwashers and refrigerators
- Condenser fans in high-efficiency air conditioners
3-PHASE INVERTER SCHEMATIC
Functional Block Diagram
Videos
Additional Resources
Veröffentlichungsdatum: 2019-02-05
| Aktualisiert: 2025-01-27
