Renesas Electronics 8V19N882 HF-Taktgeber und Jitter-Dämpfer
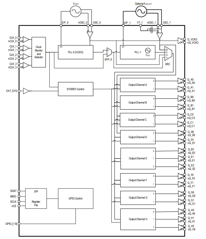
Der Renesas Electronics 8V19N882 HF-Abtasttaktgeber und Jitter-Dämpfer ist eine leistungsstarke Taktlösung für die Konditionierung und das Frequenz-/Phasenmanagement von drahtlosen Funkanlageboards für Basisstationen. Der 8V19N882 ist für die Bereitstellung einer ausgezeichneten Phasenrauschleistung optimiert, die in 4G, 5G, einschließlich mmWave-Funkimplementierungen erforderlich ist.Der 8V19N882 HF-Abtasttaktgeber und Jitter-Dämpfer von Renesas unterstützt JESD204B (Unterklasse 0 und 1) und JESD204C. Eine Zweiphasen-PLL-Architektur bietet sowohl eine Jitter-Dämpfung als auch eine Frequenzmultiplikation. Der PLL der ersten Stufe ist der Jitter-Dämpfer und verwendet einen externen VCXO für die bestmöglichen Phasenrauscheigenschaften. In der zweiten Stufe sperrt der PLL das erste PLL-Ausgangssignal und synthetisiert die Zielfrequenz. In der zweiten Phase kann der PLL den internen oder einen externen Hochfrequenz-VCO verwenden.
Der 8V19N882 wird über eine 3-/4-Draht-SPI-Schnittstelle konfiguriert und meldet den Sperr- und Signalverluststatus in internen Registern und über GPIO[1:0]-Ausgänge. Interne Status-Bit-Änderungen werden über einen GPIO-Ausgang gemeldet.
Merkmale
- Hochleistungs-Takt-HF-Abtasttaktgeber und Taktjitter-Dämpfer mit Unterstützung für JESD204B/C
- Niedriges Phasenrauschen: -144,7 dBc/Hz (800 kHz Offset; 491,2 MHz)
- Integriertes Phasenrauschen von 74 fs RMS (12 kHz bis 20 MHz, 491,2 MHz)
- Dual-PLL-Architektur mit internem und optionalem externem VCO
- Acht Ausgangskanäle mit insgesamt 16 Ausgängen
- Konfigurierbare ganzzahlige Taktfrequenzteiler
- Taktausgangsfrequenzen von bis zu 3.932,16 MHz (interner VCO) und 6 GHz (optionaler externer VCO)
- Rauscharmer Differential-I/O
- Deterministische Phasenverzögerung und integrierte Phasenverzögerungsschaltungen
- Redundante Eingangstaktarchitektur mit zwei Eingängen und Überwachung, Holdover und Eingangsschaltung
- 3- und 4-Draht-SPI-Konfigurationsschnittstelle
- Versorgungsspannung: 1,8 V, 2,5 V und 3,3 V
- 76-VFQFN-Gehäuse (9 × 9 mm²)
- Board-Temperaturbereich: -40 °C bis +105 °C
Applikationen
- Drahtlose Infrastruktur-Applikationen: 4G, 5G und mmWave
- Datenerfassung: Jitter-empfindliche ADC- und DAC-Schaltungen
- Radar, Bildgebung, Messgeräte und Medizintechnik
Vereinfachtes Blockdiagramm
Blockdiagramm (fVCO = 3.932,16 MHz)
