STMicroelectronics DCP3603 3 A Synchrone Abwärtswandler
Die synchronen 3 A Abwärtswandler der Baureihe DCP3603 von STMicroelectronics sind einfach zu bedienende synchrone Abwärtswandler mit einem breiten Eingangsspannungsbereich, die Lastströme bis zu 3 A treiben können. Mit einem erweiterten Eingabebereich von 3,3 V zu 36 V ist das Bauteil für eine große Auswahl von Industrieapplikationen geeignet. Der DCP3603 von STMicroelectronics arbeitet mit einer festen Schaltfrequenz von 500 kHz oder 1,0 MHz und ermöglicht die Verwendung von kleinen Induktivitäten für eine optimierte Lösungsgröße. Zur Verbesserung der EMI-Leistung wurde ein optionales Schaltfrequenz-Dithering implementiert. Das Bauteil basiert auf einer Spitzenstrommodus-Architektur, einschließlich Sanftanlauf-Schaltung, Überstromschutzschaltung, Übertemperaturschutz sowie Ausgangsüberspannungsschutz, und ist in einem SOT-23-6L-Gehäuse untergebracht.Merkmale
- Typischer Wirkungsgrad von 89 % bei einer Last von 1000 mA (VIN = 24 V, VOUT = 5 V)
- Typischer Wirkungsgrad von 93 % bei einer Last von 1000 mA (VIN = 12 V, VOUT = 5 V)
- Eingangsbetriebsspannungsbereich von 3,3 V bis 36 V
- Ausgangsstromsfähigkeit von bis zu 3 A
- 85 μA Betriebsruhestrom
- 500 kHz oder 1,0 MHz feste Schaltfrequenz
- Synchrongleichrichtung
- Internes Kompensationsnetzwerk
- Spitzenstrommodussteuerung
- Zwei verschiedene Ausführungen
- LCM für einen hohen Wirkungsgrad bei leichten Lasten
- LNM für rauschempfindliche Applikationen
- Ausgangsüberspannungsschutz
- Übertemperaturschutz
- Präzisionsfreigabe
- Schaltfrequenz-Dithering
- Erhältlich in einem SOT-23-6L-Gehäuse
Applikationen
- große haushaltsgeräte
- Smart Metering
- Industrielle 12 V/24 V Bus-Konvertierung
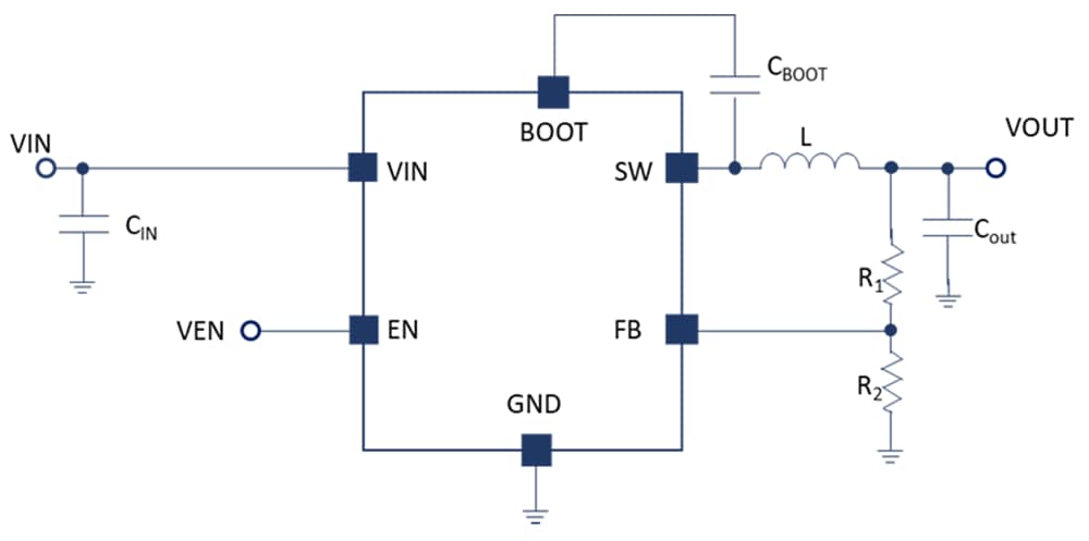
Typische Applikations-Schaltung
Veröffentlichungsdatum: 2025-12-03
| Aktualisiert: 2025-12-10
