STMicroelectronics STDRIVE102BH/H Dreifache Halbbrücken-Gate-Treiber
STDRIVE102BH/H Dreifache Halbbrücken-Gate-Treiber von STMicroelectronics sind für den bürstenlosen Dreiphasen-Motorantrieb ausgelegt. Aufgrund seines sehr effizienten Standby-Modus, der den Stromverbrauch stark reduziert, wenn das Bauteil nicht aktiv ist, ist der STDRIVE102BH/H eine ideale Lösung für batteriebetriebene Motortreiber-Applikationen wie z. B. Elektrowerkzeuge, Staubsauger und kleine Haushaltsgeräte.Der STDRIVE102BH/H verfügt über integrierte Schutzfunktionen, die die Robustheit der gesamten Applikation erhöhen. Zu den Schutzmechanismen gehören Unterspannungssperre (UVLO) an jeder Versorgung (VCC, VDD und elektrische Ladepumpenspannung), thermische Abschaltung und VDS-Überwachung sowohl auf High-Side- als auch auf Low-Side-MOSFETs. Wird ein Schutzmechanismus ausgelöst, meldet der nFAULT Open-Drain-Pin das Ereignis. Der STMicro STDRIVE102BH verfügt über einen weiteren dedizierten Open-Drain-Pin (FLAG), der anzeigt, ob die Gate-Treiber-Versorgungsspannung VCC unter den Schutzgrenzwert fällt. Der Gerät beinhaltet eine intelligente Abschaltfunktion, die im Falle eines Defekts das sofortige Abschalten der Ausgänge des Gate-Treibers ermöglicht, indem die Laufzeitverzögerung zwischen dem Defekterkennungsereignis und der eigentlichen Ausgangsabschaltung minimiert wird.
Zusätzlich zum Hauptversorgungsanschluss (VS) verfügt der STDRIVE102BH/H über einen dedizierten Pin VM, der mit der Motorspannungsversorgung in Übereinstimmung mit den Drain-Anschlüssen der High-Side-n-Kanal-MOSFETs verbunden werden sollte. Der VM-Pin wird für die integrierte VDS-Überwachung und als Referenzspannung für die Ladungspumpe verwendet. Die VS- und VM-Pins können mit verschiedenen Spannungen betrieben werden, um die Flexibilität des Bauteils zu steigern.
Merkmale
- Betriebsspannung von 6 V bis 50 V
- Gate-Treiber mit programmierbarer Strombelastbarkeit von bis zu:
- 1 A Quelle Strom
- 2 A Ableitvorrichtung Strom
- Hohe Robustheit gegen Unterschreitung des Massepotentials und Überschwingen
- Ladungspumpe für 100-%-Tastverhältnisbetrieb mit dedizierter Unterspannungssperre
- Flexibles Leistungsmanagement:
- 12 V LDO-Linearregler mit dedizierter Unterspannungssperre
- 3,3 V LDO-Linearregler mit dedizierter Unterspannungssperre
- Standby-Modus für einen geringen Stromverbrauch von unter 50 nA
- Übertemperaturschutz
- VDS-Überwachung für einen sicheren Betrieb der Leistungs-MOSFETs
- Flexibles Analog-Frontend:
- Bis zu drei Operationsverstärker mit großer Bandbreite
- Bis zu drei Hochgeschwindigkeits-Komparatoren
- Zwei Steuerungsmodi:
- ENx/INx
- INHx/INLX mit Verriegelung
- Angepasste Signallaufzeit für alle Kanäle
- Logikeingänge bis zu 5 V, TTL-kompatibel
Applikationen
- Batteriebetriebene Elektrowerkzeuge
- Tragbare Staubsauger
- Elektrofahrräder
- Industrieautomatisierung
- Robotik
- Pumpen und Lüfter
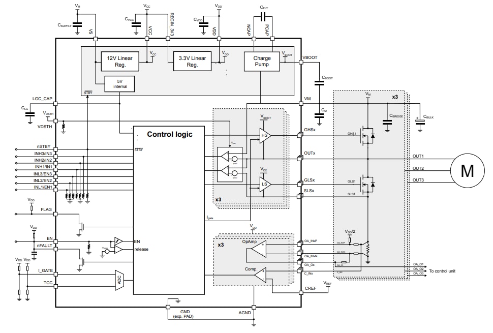
STDRIVE102BH Blockdiagramm
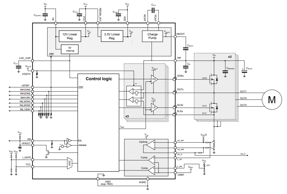
STDRIVE102H Blockdiagramm
