TE Connectivity SSRDC-Baureihe Solid State Relais
Potter und Brumfield Solid State Relais der SSRDC-Baureihe von TE Connectivity nutzen die DC-Schaltungstechnik mit FETs mit geringer Verlustleistung, die eine optische Kopplung enthalten. Die SSRDC-Baureihe wird in DC-Lastapplikationen verwendet und bietet eine zuverlässige DC-Schaltung bis zu 40 A und Betriebsspannungen bis zu 200 V. Die Montage eines Kühlkörpers wird für die Beibehaltung der Basistemperaturen und Lastbedingungen empfohlen.Merkmale
- Bietet eine geringe Verlustleistung zur Verlängerung der elektrischen Lebensdauer
- Erzielt eine hohe Pulsweitenmodulation mit geringen Schaltzeiten bei der Stromversorgung von Geräten
- Elektrische Daten
- 12 A, 25 A und 40 A Laststrom
- 200 V DC-Betriebsspannung
- DC-Eingangssteuerung
- 1.500 V optische DC-Isolierung
- FET-Ausgang
- Mechanische Daten
- Standard-Hockeypuck-Gehäuse
- Relais zur Gehäusemontage
- Optische Kopplung
- Materialien
- Aluminiumbasis für Wärmeableitung
- UL 94-VO Technische Kunststoffe
Applikationen
- Industriemaschinen
- Materialverarbeitungsanlagen
- Kräne
- Transport
- Züge
- Konstruktive Ausrüstungen
- Gebäudesteuerung
- Zugangskontrolle
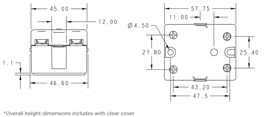
Abmessungen (in mm)
Veröffentlichungsdatum: 2018-04-25
| Aktualisiert: 2023-01-18
