Texas Instruments AFE4950 Integriertes Analog-Frontend (AFE)
Das Texas Instruments AFE4950 integrierte Analog-Frontend (AFE) ist für die synchronisierte Signalerfassung von PPG- und EKG-Signalen ausgelegt. Der AFE4950 von Texas Instruments kann auch für optische Biosensor-Applikationen, wie z. B. Herzfrequenzüberwachung (HRM) und Sättigung des peripheren kapillaren Sauerstoffs (SpO2) verwendet werden. Die EKG-Signalkette unterstützt 2- und 3-electrode-Konfigurationen und verfügt über einen integrierten RLD-Puffer (Rechter leg drive, RLD). Die EKG-Signalkette kann auch für die kontinuierliche stromsparende Überwachung der Impedanz zwischen den Elektroden verwendet werden.Merkmale
- Unterstützt die gleichzeitige und synchronisierte Erfassung von bis zu 24 PPG und ein Einzelleitungs-EKG-Signal
- Flexible Zuordnung von acht LEDs, vier PDs in jeder Phase
- EKG-Signalkette
- Einzelleitungs-EKG-Signalerfassung von bis zu 2 kHz
- RLD-Ausgang zum Antrieb einer dritten Elektrode
- Eingangsrauschen: 0,7 µVRMS
- Unterstützt einen Differential-DC-Offset von bis zu +/-0,65 V und einen Gleichtaktbereich von +/-0,55 V
- Programmierbare INA-Gain (11, 21)
- Ein Hochpassfilter mit schneller Sättigungswiederherstellung
- Integrierter 300-Hz-Anti-Aliasing-Tiefpassfilter
- DC-Ableitungserkennung: 2,6 nA bis 85 nA AC
- Kontinuierliche Lead-On-Erkennung mit geringem Stromverbrauch
- Impedanz-Signalkette
- Kontinuierliche stromsparende Überwachung der Impedanz zwischen 2 Elektroden
- 7 mΩ Bereich
- 300 Ω Rauschen bei 620 kΩ
- PPG-Sender
- Programmierbarer 8-bit-LED-Strom mit einstellbarem Bereich von 25 mA bis 250 mA
- Modus zum Einschalten von zwei LEDs gleichzeitig
- Unterstützung von acht LEDs in einer Konfiguration mit gemeinsamer Anode für SpO2, HRM mit mehreren Wellenlängen
- PPG-Empfänger
- Zwei parallelgeschaltete Empfänger (zwei Sätze TIA/Filter)
- Unterstützt vier Zeitmultiplex-Fotodiodeneingänge zu jedem Empfänger
- 8-bit-Umgebungs-Offset-Subtraktion an jedem TIA-Eingang mit 256 µA-Bereich
- 8-Bit-LED-Offset-Subtraktions-DAC mit einem Bereich von 64 µA
- Automatische Umgebungsunterdrückung und dynamische LED-DC-Unterdrückung am TIA-Eingang
- Umgebungsunterdrückung von fast 100 dB bis zu 10 Hz
- Rauschfilterung mit programmierbarer Bandbreite
- Tansimpedanz-Gain: 3,7 kΩ bis 1 MΩ
- Genaue, kontinuierliche Herzfrequenzüberwachung
- System-SRV von bis zu 109 dB bei einem PD-Strom von 16 µA
- Niedriger Stromverbrauch für den Dauerbetrieb auf Wearables mit einem typischen Wert (15 µA für eine LED, 20 µA für den Empfänger)
- Externe Takt- und interne Oszillator-Modi
- Erfassen von Daten, die mit dem system-Mastertakt synchronisiert sind
- FIFO mit 256-sample Tiefe
- SPI-, I2C-Schnittstellen (über Pin wählbar)
- 2,6 mm × 2,5 mm DSBGA, 0,4 mm Rastermaß
- Versorgungen (Rx: 1,7-1,9 V (LDO-bypass); 1.9-3.6V (LDO-aktiviert), Tx: 3-5,5 V, IO: 1,7-RX _ SUP)
Applikationen
- Optische Herzfrequenzüberwachung (HRM) für Wearables, Hearables
- Hochleistungs-EKG-Signalerfassung
- Synchronisierte PPG und EKG für BP-Schätzung
- Herzfrequenzvariabilität (HRV)
- Pulsoximetrie-Messungen (SpO2)
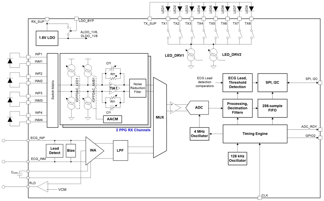
Vereinfachtes Schaltbild
Veröffentlichungsdatum: 2020-12-02
| Aktualisiert: 2024-10-08
