Texas Instruments bq27Z561-R2 Impedance Track™-Gasmess-IC
Der Texas Instruments bq27z561 Impedance Track™ -Gasmess-IC ist eine hochintegrierte, genaue Einzelreihen-geschaltete Gasmesslösung mit einer Flash-programmierbaren, benutzerdefinierten CPU mit reduziertem Befehlssatz (RISC). Diese umfasst eine SHA-256-Authentifizierung für Li-Ionen- und Li-Polymer-Akkus. Die Einzelreihen-geschaltete Zellenfunktion enthält parallelgeschaltete Zellen für eine erhöhte Leistung.Das bq27Z561-R2 Gasanzeigegerät von Texas Instruments kommuniziert über I2-kompatible und HDQ-Eindraht-Schnittstellen und enthält mehrere wichtige Funktionen, die dabei helfen können, genaue Gasanzeigegerätapplikationen zu ermöglichen. Integrierte Temperatursensorfunktion (interne und externe Optionen) ermöglichen die Messung von System- und Batterietemperaturmessungen.
Merkmale
- Unterstützt Strommesswiderstände bis herunter auf 1 mΩ
- Unterstützt eine Messung auf der Akku-Seite, einschließlich eines verbesserten Batteriezustands-Algorithmus (SOH).
- Schnelle QMax-Aktualisierungsoption basierend auf dem vorhergesagten OCV
- Responder mit SHA-256-Authentifizierung für erhöhte Sicherheit des Akkus
- Hochentwickelte Ladealgorithmen
- JEITA
- Verbessertes Laden
- RSOC-Lade-Kompensationsoption
- Zwei unabhängige ADCs
- Unterstützung für gleichzeitige Strom- und Spannungsabtastung
- Hochpräziser Coulomb-Zähler mit Eingangs-Offsetfehler < 1 µV (typisch)
- Niederspannungs-Betrieb (2 V)
- Anwendungen mit weitläufigen Strombereichen (1 mA bis > 5 A)
- Aktiver hoher oder niedriger Impuls- oder Pegel-Interrupt-Pin
- Unterstützt Batterieabschaltpunkt (BTP)
- Modi für reduzierten Stromverbrauch (typische Betriebsbereichsbedingungen für Akkus)
- SLEEP-Modus (Schlafmodus): < 11 µA (typisch)
- DEEP-SLEEP-Modus (Tiefschlafmodus): < 9 µA (typisch)
- HYPERNATE-Modus (Ruhezustand): < 3 µA (typisch)
- Typischer AUS-Zustand: < 1,9 µA
- Interne und externe Temperatursensorfunktionen
- Diagnostische Lebensdauer-Datenüberwachung und Blackbox-Recorder
- 400 kHz I2-Bus-Kommunikationsschnittstelle für Hochgeschwindigkeits-Programmierung und Datenzugriff
- HDQ-Eindrahtverbindung für die Kommunikation mit dem Host
- Kompaktes 12-Pin-DSBGA-Gehäuse (YPH)
Applikationen
- Smartphones
- Digitalfoto- und Videokameras
- Tablet-Computer
- Tragbare und wearable Gesundheitsgeräte
- Tragbare Audiobauteile
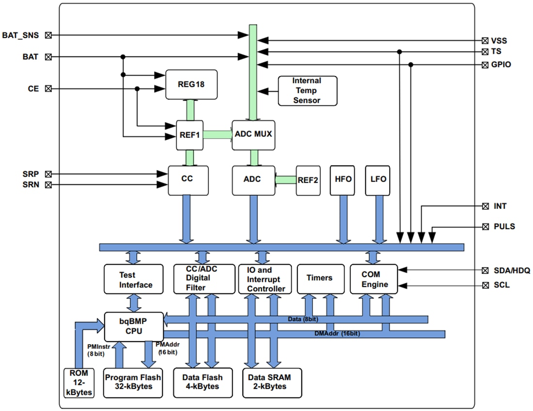
Funktionales Blockdiagramm
Veröffentlichungsdatum: 2020-10-21
| Aktualisiert: 2024-09-05
