Texas Instruments DRV8411 Dual-H-Brücken-Motortreiber
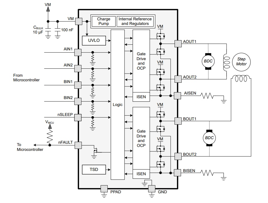
Der DRV8411 Dual-H-Brücken-Motortreiber von Texas Instruments steuert ein oder zwei DC-Bürstenmotoren, einen Schrittmotor, Magnete oder andere induktive Lasten. Die Dreifach-Ladungspumpe ermöglicht dem Bauteil einen Betrieb bis hinunter zu 1,65 V, um sich an 1,8-V-Versorgungsschienen und schwache Batterien anzupassen. Die Ladungspumpe enthält alle Kondensatoren und ermöglicht ein Tastverhältnis von 100 %. Die Ein- und Ausgänge können parallelgeschaltet werden, um Hochstrom-Bürsten-DC-Motoren mit der Hälfte des RDS(ON) anzusteuern.Der DRV8411 Motortreiber von TI implementiert eine Stromregelung, indem eine interne Referenzspannung mit der Spannung auf den xISEN-Pins verglichen wird, die über einen externen Messwiderstand proportional zum Motorstrom ist. Die Begrenzung des Stroms kann große Ströme während des Motorstarts und bei Motorstillständen erheblich verringern. Ein stromsparender Ruhemodus erreicht eine extrem niedrige Ruhestromaufnahme, indem die meisten internen Schaltungen abgeschaltet werden.
Interne Schutzfunktionen umfassen Unterspannungs-, Überstrom- und Übertemperaturschutz. Der DRV8411 ist Teil einer Produktfamilie von Bauteilen mit Pin-zu-Pin-, skalierbaren RDS(ON)-Optionen zur Unterstützung von verschiedenen Lasten mit minimalen Designänderungen.
Merkmale
- Dual-H-Brücken-Motortreiber, CAN-Treiber -
- Ein bipolarer Schrittmotor
- Ein oder zwei Bürsten-DC-Motoren
- Magnete und weitere induktive Lasten
- Niedriger Einschaltwiderstand: HS + LS = 400 mΩ (typisch, 25 °C)
- Großer Versorgungsspannungsbereich von 1,65 V bis 11 V
- Pin-zu-Pin-kompatibel mit -
- DRV8833 mit 360 mΩ/Brücke
- DRV8833C mit 1.735 mΩ/Brücke
- DRV8847 mit 1.000 mΩ/Brücke
- DRV8410 mit 800 mΩ/Brücke
- DRV8411A mit 400 mΩ/Brücke
- Hohe Ausgangs-Spitzenstrombelastbarkeit: 4 A
- PWM-Steuerschnittstelle
- Unterstützt 1,8-V-, 3,3-V- und 5-V-Logikeingänge
- Integrierte Stromregelung
- Ruhemodus mit geringem Stromverbrauch
- ≤40 nA bei VVM = 5 V, TJ = 25 °C
- Kleines Gehäuse und kleiner Footprint
- 16-Pin-HTSSOP mit PowerPAD™, 5,0 mm x 4,4 mm
- 16-Pin-WQFN mit PowerPAD™, 3,0 mm x 3,0 mm
- Integrierte Schutzfunktionen
- VM-Unterspannungssperre (UVLO)
- Überstromschutz (OCP) mit automatischem Neustart
- Thermische Abschaltung (TSD)
- Fehler-Anzeigepin (nFAULT)
Applikationen
- Batteriebetriebenes Spielzeug
- POS-Drucker
- Sicherheitsvideokameras
- Büroautomatisierungsmaschinen
- Spielautomaten
- Robotik
- Smart-Elektronikschlösser
- Universal-Magnetlasten
Vereinfachter Schaltplan
Blockdiagramm
