Texas Instruments DS250DF230 Multiraten-Zweikanal-Retimer
Der Texas Instruments DS250DF230 Multiraten-Zweikanal-Retimer wird verwendet, um die Reichweite und die Robustheit von langen, verlustreichen, durch den Nebensignaleffekt beeinträchtigten seriellen Hochgeschwindigkeits-Verbindungen zu erweitern, während er eine Bitfehlerrate (BER) von 10 bis 15 oder weniger erreicht. Jeder Kanal des DS250DF230 rastet unabhängig auf serielle Daten ein, mit Datenraten innerhalb des kontinuierlichen Bereichs von 19,6 GBit/s bis 25,8 GBit/s. Dieses Bauteil unterstützt auch Unterraten (÷2 und ÷4), einschließlich der wichtigsten Datenraten wie 12,16512 GBit/s, 9,8304 GBit/s, 6,144 GBit/s Der DS250DF230 verfügt über eine Einzelstromversorgung und benötigt eine geringe Anzahl externer Komponenten. Diese Funktionen reduzieren die Komplexität des PCB-Routing und die Stückkosten.Merkmale
- Dual-Kanal-Multiraten-Retimer mit integrierter Signalkonditionierung
- Alle Kanäle sperren unabhängig von 19,6 bis 25,8 Gbit/s (einschließlich Sub-Raten wie 12,16512 GBit/s, 9,8304 GBit/s, 6,144 GBit/s und mehr)
- Extrem niedrige Latenz: < 500 ps typ. für 25,78125 GBit/s Datenraten
- Adaptiver Continuous Time Linear Equalizer (CTLE)
- Kontinuierlich adaptiver Decision Feedback Equalizer (DFE), geeignet zur Kompensation großer Kanalverlustschwankungen über die Temperatur hinweg
- Kombinierte Entzerrung unterstützt +35 dB Kanalverlust bei 12,9 GHz
- On-Chip-Eye-Opening Monitor (EOM) PRBS-Muster-Erkennung/Generator
- Sender mit niedrigem Jitter und 3-Tap-FIR-Filter
- Integrierter 2×2-Koppelpunkt
- Wiederhergestellter Takt verfügbar für Systemtakt-Synchronisationsapplikationen auf Kanal 0
- Einzelne Stromversorgung, keine jitterarme Referenz
- Großer Stay-In-Lock-Temperaturbereich
Applikationen
- Jitterreinigung für optische Frontschnittstelle in drahtlosen und drahtgebundenen Systemen
- Reichweitenverlängerung Rückwandplatine/Mittelplatine
- Aktive Kabelsätze
- IEEE802.3bj 100 GbE, Infiniband EDR und OIFCEI-25G-LR/MR/SR/VSR Elektrische Schnittstellen
- SFP28, QSFP28, CFP2/CFP4, CDFP
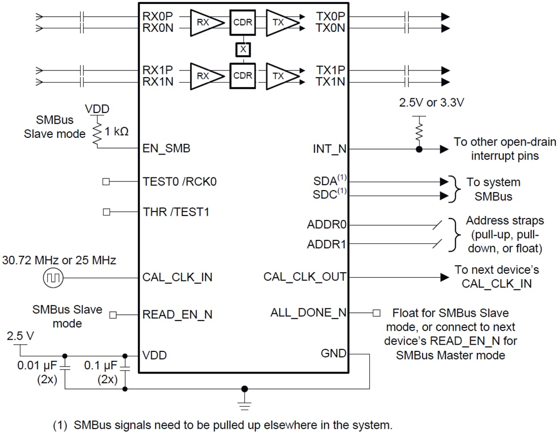
Vereinfachter Schaltplan
Veröffentlichungsdatum: 2019-02-27
| Aktualisiert: 2023-07-24
