Texas Instruments PCM270xC USB Stereo Audio DACs

Texas Instruments PCM270xC USB Stereo Audio DACs

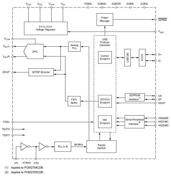
Texas Instruments PCM270xC Single-Chip USB Stereo Audio digital-to-analog Converters (DACs) besitzen einen USB-konformen Full-Speed-ProtokollController und S/PDIF. Der USB-ProtokollController dieser TI USB Audio DACs arbeitet ohne Softwarecode, aber USB-Deskriptoren können in einigen Bereichen (z.B. Vendor ID/Produkt ID) durch den Einsatz eines externen ROM (PCM2704C) oder SPI™ (PCM2705C) modifiziert werden. TI PCM270xC USB Audio DACs weisen außerdem SpAct™ Bauweise auf, ein TI-System, das die Audio Clock von USB-Paketdaten widerherstellt. Chipeigene analoge Phase-locked Lops (PLLs) mit SpAct ermöglichen eine Wiedergabe mit niedrigem Taktjitter. Diese TI Audio DACs sind ideal für den Einsatz in USB Kopfhörer, Lautsprecher, CRT/LCD-Monitoren und Audio Interface Boxen.

Features
  • Chipeigene USB-Schnittstelle:
    • Keine zugehörigen Gerätetreiber nötig
    • Full-Speed-Transceiver
    • Voll konform mit USB 1.1 Spezifikation
    • Zertifiziert nach USB-IF
    • Partiell programmierbare Deskriptoren
    • Adaptiver isochroner Transfer für Playback
    • Bus-Betrieb oder Self-Powered Betrieb
  • Sampling-Raten: 32kHz, 44.1kHz, 48kHz
  • Chipeigener Taktgenerator mit Single 12MHz Taktquelle
  • Einzige Energieversorgung:
    • Bus-Powered: 5V, Typ. (VBUS)
    • Self-Powered: 3.3V, Typ.
  • 16-Bit Delta-Sigma Stereo DAC
    • Analoge Leistung bei 5V (Bus-Powered), 3.3V (Self-Powered):
      • THD+N: 0.006% RL > 10kΩ, Self-Powered
      • THD+N: 0.025% RL = 32Ω
      • SNR = 98dB
      • Dynamikbereich: 98dB
      • PO = 12 mW, RL = 32Ω
  • Mehrere Funktionen:
    • Bis zu acht Human Interface Device (HID) Schnittstellen (Modell und Setting abh.)
    • Suspend-Plug
    • S/PDIF Out mit SCMS
    • Externe ROM-Schnittstelle (PCM2704C)
    • Serielle Programmschnittstelle (PCM2705C)
  • Gehäuse: 28-Pin SSOP
Anwendungen
  • USB Kopfhörer
  • USB Lautsprecher
  • USB CRT/LCD-Monitoren
  • USB Audio Interface Boxen
  • USB-Featured Verbraucher-Audioprodukte

Funktionales Blockdiagramm

Functional Block Diagram
  • Texas Instruments
Veröffentlichungsdatum: 2012-03-08 | Aktualisiert: 2022-03-11