Texas Instruments PGA302 Sensorsignalaufbereiter
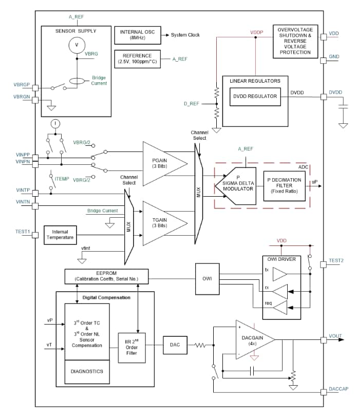
Der Texas Instruments PGA302 Sensorsignalaufbereiter mit einem ratiometrischen 0V-zu-5V-Ausgang zeichnet sich durch einen geringen Drift und niedriges Rauschen mit sowohl analogen als auch digitalen Funktionen aus. Das Bauteil erzeugt eine Brückenerregung von 2,5 V zusammen mit einer Ausgangsstromquelle mit programmierbarem Stromausgang von bis zu 1 mA. Am Eingang sind zwei identische Analog-Frontend-Kanäle (AFE) und ein 16-Bit-Sigma-Delta-Analog-Digital-Wandler verfügbar. Darüber hinaus verfügt jeder AFE-Kanal über einen dedizierten Verstärker mit einer Verstärkung von bis zu 200 V/V. Die PGA302 Sensorsignalaufbereiter bieten verschiedene Typen von Sensorelementen, einschließlich Piezoresistiv-, Keramikfolien-, Dehnungsmessstreifen- und Stahlmembran-Elemente. Andere Funktionen umfassen eingebauter Speicher-Selbsttest (MBIST), Watchdog-Timer und Energiemanagement-Steuerung.Merkmale
- Zweikanal-Analog-Frontend
- On-Chip-Temperatursensor
- Programmierbare Verstärkung bis zu 200 V/V
- 16-Bit-Sigma-Delta-Analog-Digital-Wandler
- Linearitäts-Ausgleichsalgorithmus der 3. Ordnung
- EEPROM-Speicher für die Konfiguration des Bauteils, Kalibrierungs- und Benutzerdaten
- I2C-Schnittstelle
- Eindrahtige Schnittstelle über Stromleitung
- AFE-Sensoreingang, Netzteil und Ausgangspuffer-Diagnose
- Eingebauter Speicher-Selbsttest (MBIST)
- Watchdog
- Energiemanagementsteuerung
Applikationen
- Antriebsstrang-Drucksensoren
- Antriebsstrang-Abgassensoren
- HKL-Sensoren
- Sitzbelegungs-Sensoren
- Bremssysteme
- Batteriemanagementsysteme (BMS)
Additional Resources
PGA302 Blockdiagramm
Veröffentlichungsdatum: 2018-03-26
| Aktualisiert: 2023-10-30
