Texas Instruments RC4580 Audio-Operationsverstärker
Die Audio-Operationsverstärker RC4580 von Texas Instruments sind duale, rauscharme 32-V-12-MHz-Verstärker, die für Audioanwendungen wie die Verbesserung der Klangregelung entwickelt wurden. Diese Operationsverstärker bieten ein geringes Rauschen, eine große Verstärkungsbandbreite, geringe Verzerrungen und einen hohen Ausgangsstrom. Die RC4580 Bauteile können als Kopfhörerverstärker verwendet werden, wenn ein hoher Ausgangsstrom erforderlich ist. Diese Operationsverstärker sind pin- und funktionskompatibel mit den Bauteilen LM833, NE5532, NJM4558/9 und NJM4560/2/5. Die Audio-Operationsverstärker RC4580 arbeiten in einem großen Spannungsbereich von ±2 V bis ±18 V, sodass das Bauelement auch in Niederspannungsanwendungen eingesetzt werden kann. Diese Operationsverstärker sind ideal für Audio-Vorverstärker, aktive Filter, Kopfhörerverstärker und industrielle Messgeräte.Merkmale
- Betriebsspannungsbereich: ±2 V bis ±18 V
- Rauscharme Spannung von 0,8 μVrms
- Verstärkungsbandbreitenprodukt: 12 MHz
- Klirrfaktor: 0,0005 %
- 5 V/μs Anstiegsrate
- Drop-in-Ersatz für NJM4580
- Pin- und funktionskompatibel mit den Bauteilen LM833, NE5532, NJM4558/9, und NJM4560/2/5
Applikationen
- Audio-Vorverstärker
- Aktive Filter
- Kopfhörer-Verstärker
- Industrielle Messgeräte
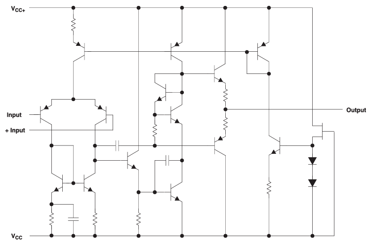
Funktionales Blockdiagramm
Schaltschema eines nicht invertierenden Verstärkers
Veröffentlichungsdatum: 2025-01-23
| Aktualisiert: 2025-02-21
