Texas Instruments TCAL9538 8-Bit-I/O-Expander
Texas Instruments TCAL9538 8-Bit-I/O-Expander wurden für das zweizeilige bidirektionale I2C-Bus (oder SMBus) Zweileitungsprotokoll ausgelegt und bieten einen Betrieb von 1,08 V bis 3,6 V VCC ausgelegt. Der TCAL9538 unterstützt I2C-Taktfrequenzen von100 kHz (Standard-Modus), 400 kHz (Fast-Modus) und 1 MHz (Fast-Modus-Plus). Bei Bedarf an zusätzlichen Ein- und Ausgängen für Sensoren, Schalter, Tasten, LEDs, Lüfter und mehr bieten diese I/O-Expander eine einfache Lösung.Der TI TCAL9538 verfügt über agile I/O-Ports mit zusätzlichen Funktionen, die die I/O-Leistung in Bezug auf Geschwindigkeit, Stromverbrauch und EMI verbessern sollen. Zu den Merkmalen gehören eine programmierbare Ausgangstreiberstärke, programmierbare Pull-Up- und Pull-Down-Widerstände, verriegelbare Eingänge, ein maskierbarer Interrupt, ein Interrupt-Statusregister und programmierbare Open-Drain- oder Push-Pull-Ausgänge.
Merkmale
- Betriebsspannungsbereich der Stromversorgung von 1,08 V bis 3,6 V
- Niedriger Standby-Stromverbrauch von 1 µA typisch bei 1,8 V
- 1 MHz Fast-Modus-Plus I2C-Bus
- Hardware-Adresspin ermöglicht zwei Bauteile auf demselben I2C, SMBus-Bus
- Active-Low-Reset-Eingang (RESET)
- Open-Drain-Active-Low-Interruptausgabe (INT)
- Ein- oder Ausgangskonfigurationsregister
- Polaritätsumkehrungsregister
- Konfigurierbares I/O-Antriebsstärkenregister
- Pull-Up- und Pull-Down-Widerstands-Konfigurationsregister
- Internes Power-on-Reset
- Rauschfilter an den SCL- oder SDA-Eingängen
- Latch-Ausgänge mit maximaler Hochstrom-Ansteuerungsfähigkeit für die direkte Ansteuerung von LEDs
- Latch-Up-Leistung übertrifft 100 mA gemäß JESD 78, Klasse II
- ESD-Schutz überschreitet JESD 22
- 4.000 V Human-Body-Modell (A114-A)
- 1.000 V Charged-Device-Modell (C101)
Applikationen
- Server
- Router (Schaltanlagen in der Telekommunikation)
- PCs
- Persönliche Elektronik
- Industrieautomatisierung
- Spielkonsolen
- Produkte mit GPIO-begrenzten Prozessoren
Vereinfachter Schaltplan
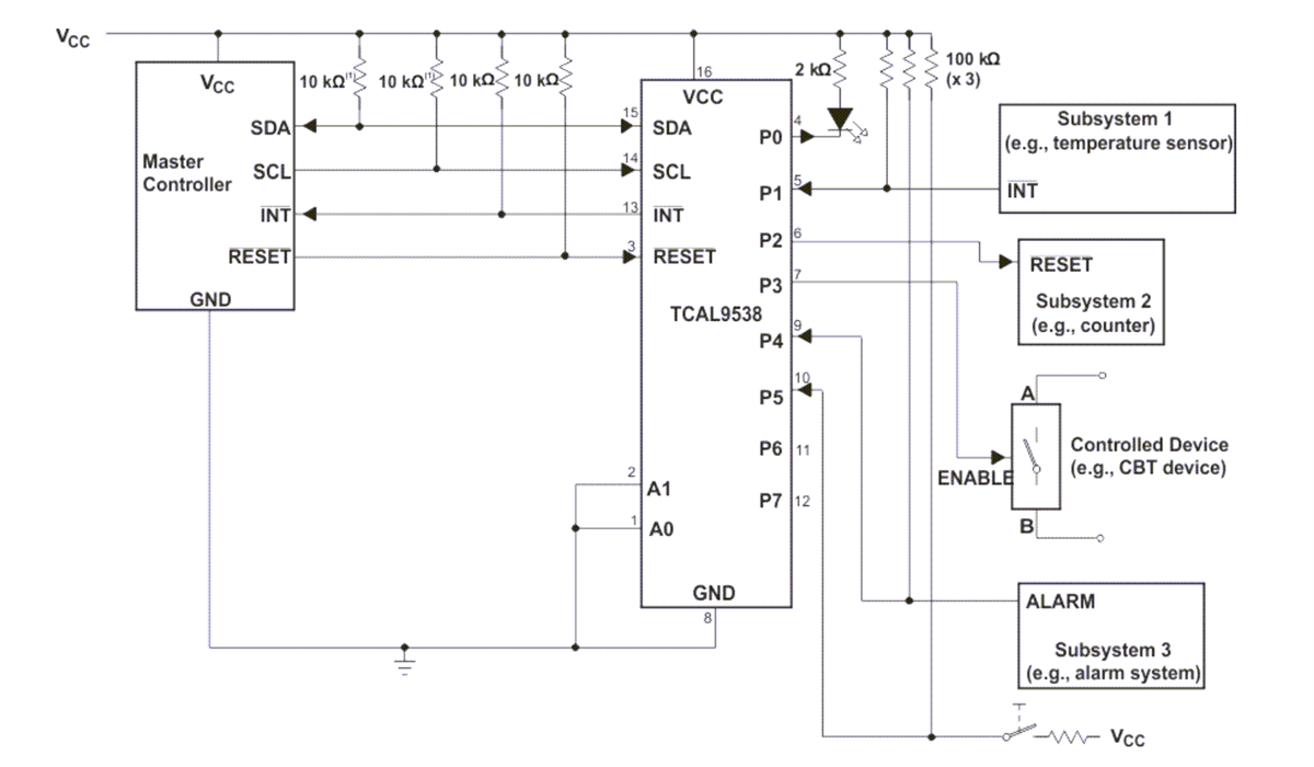
Typisches Anwendungsschema
Logikschaltungs-Diagramm (positive Logikschaltung)
Veröffentlichungsdatum: 2024-01-25
| Aktualisiert: 2024-10-30
