Texas Instruments TLC694x Konstantstrom-LED-Treiber
Texas Instruments TLC694x Konstantstrom-LED-Treiber bieten ein hohes Multiplexing, eine hohe PWM-Auflösung und hohe Aktualisierungsraten. Die TLC694x LED-Treiber verfügen über 16 Kanäle, die jeweils auf 65.536 Schritte der PWM-Graustufensteuerung einstellbar sind. Der maximale Konstantstromwert aller 16 Kanäle wird durch einen einzigen externen Widerstand und 128 Schritte für die globale Helligkeitssteuerung von 0,3 mA bis 25 mA festgelegt.Das TLC694x Bauteil enthält verbesserte Schaltungen zur Lösung der verschiedenen Display-Probleme von LED-Displayapplikationen mit feinem Rastermaß. Dazu gehören Probleme mit der Gleichmäßigkeit von niedrigen Graustufen, der Kopplung, dem Ghosting und von Caterpillar. Darüber hinaus verfügt das Bauteil über eine LED-Open-Erkennungsfunktion, die ein Lesen über einen seriellen Daten-Schnittstellenanschluss ermöglicht. Ein höhere Systemzuverlässigkeit wird durch die Verwendung der thermischen Abschaltung und der IREF-Widerstands-Kurzschlusssicherung ermöglicht. Der Smart-Stromspar-Modus stellt den Gesamtstromverbrauch auf 1 mA (typisch) ein, wenn alle Ausgänge ausgeschaltet sind.
Merkmale
- Stromversorgungsspannungsbereiche
- VCC-Spannungsbereich: 3 V bis 5,5 V
- VLED-Spannungsbereich: bis zu VCC + 0,3 V
- 16 Konstantstrom-Senkenkanäle
- 0,3 mA bis 25 mA (3 V ≤ VCC ≤ 5,5 V)
- Kanalstrom-Abweichung: ±1 % (typisch)
- Bauteilstrom-Abweichung: ±1 % (typisch)
- Niedrige Kniepunktspannung: 0,3 V (typisch) bei 10 mA
- Globale 7-Bit-Helligkeitssteuerung (BC) (128 Stufen)
- Verbesserte 16-Bit-Spektrum-PWM-Graustufensteuerung
- Eingebauter Speicher unterstützt ein 32-Multiplexing für TLC6946 und ein 48-Multiplexing für TLC6948
- LED-Display-Leistungssteigerung
- Verbesserung der Gleichmäßigkeit der niedrigen Graustufen
- Behebung der Kopplungsprobleme von niedrigen Graustufen
- Ghosting-Beseitigung und Caterpillar-Eliminierung
- Serielle Hochgeschwindigkeitsdatenschnittstelle
- Datenverschiebungs-Takt: 33 MHz (max.)
- Graustufen-Steuerungstakt: 33 MHz (max.)
- Unterstützt Dual-Edge-Graustufensteuerung
- Diagnostik und Schutz
- Erkennung von offenen LEDs (LED-Open Detection, LOD)
- IREF-Widerstands-Kurzschlusssicherung (ISP)
- Thermische Abschaltung (TSD)
- Smart-Stromsparmodus
Applikationen
- Einfarbige, mehrfarbige und Vollfarb-LED-Displays
- LED-Video-Displays mit hoher Aktualisierungsrate
- LED-Matrix-Displays mit hoher Dichte und feinem Rastermaß
Blockdiagramm
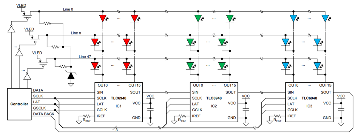
Typischer Applikationsschaltplan 48-Multiplexing
Veröffentlichungsdatum: 2019-02-20
| Aktualisiert: 2023-07-19
