Texas Instruments TPS542A52 Synchroner Abwärtswandler
Texas Instruments TPS542A52 Synchrone Abwärtswandler bieten einen hohen Wirkungsgrad mit Differential-Fernabfrage. Diese Bauteile verfügen über einen spannungsgesteuerten Festfrequenzmodus mit über einen Pinstrap wählbare interne Kompensation für reduzierte Systemkosten und Komplexität. Die PWM kann über den SYNC-Pin mit einem externen Taktgeber synchronisiert werden.Die TPS542A52 synchronen Abwärtswandler von TI verfügen außerdem über weitere wichtige Funktionen wie PFM für einen hohen Wirkungsgrad bei geringer Last, eine niedrige Ruhestromaufnahme beim Abschalten, einen einstellbaren UVLO über den EN-Pin und einen monotonen Start in vorgespannte Bedingungen.
Die TPS542A52 Abwärtswandler sind bleifrei und RoHS-konform und in einem VQFN-Gehäuse von 4,5 mm × 4 mm untergebracht.
Merkmale
- Integrierte MOSFETs von 9,1 mΩ und 2,6 mΩ unterstützen einen Ausgangsstrom von bis zu 15 A
- Ausgangsspannungsbereich: 0,5 V bis 5,5 V
- Festfrequenz-Spannungsregelungsmodus mit wählbarer interner Kompensation
- Sieben wählbare Frequenzeinstellungen von 400 kHz bis 2,2 MHz
- Synchronisiert mit einem externen Taktgeber
- Vollständig differenzielle Fernerkundung
- Sechs wählbare Überstrombegrenzungen, vier Soft-Start-Anstiegsraten
- Monotoner Start in vorgespannte Ausgänge
- EN-Pin ermöglicht eine einstellbare Eingangs-UVLO
- Power-Good-Anzeige
- Typische Abschalt-Ruhestromaufnahme: 17 µA
- Wählbarer FCCM oder PFM für Wirkungsgrad bei geringer Last
- Sperrschichttemperatur bei Betrieb: -40 °C bis +150 °C
- VQFN-Gehäuse von 4 mm × 4,5 mm
- Erstellung eines benutzerdefinierten Designs mithilfe des TPS542-A52 und dem WEBENCH® Power Designer
Applikationen
- Drahtlose Kommunikation
- Analoge Frontend-Leistung
- Test- und Messgeräte
- Medizinische Bildverarbeitung
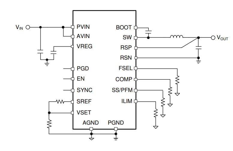
Vereinfachtes Schaltschema
Veröffentlichungsdatum: 2020-12-22
| Aktualisiert: 2024-10-24
