Texas Instruments TPS562211 Synchroner 2-A-Abwärtswandler

Der Texas Instruments TPS562211 synchrone 2-A-Abwärtswandler ist eine flexible, kostengünstige Lösung in einem SOT583-Gehäuse. Der TPS562211 Wandler verfügt über einen wählbaren Eco-Modus-Betrieb oder einen FCCM-Betrieb (Force Continuous Conduction Mode, FCCM). Darüber hinaus ist eine wählbare Power-Good-Anzeige oder ein externer Soft-Start über den Modus-Pin konfigurierbar. Der TPS562211 ermöglicht eine korrekte Leistungssequenzierung durch die Konfiguration von Freigabe, Power-Good-Anzeige oder einem externen Sanftanlauf. Ein großer Eingangsspannungsbereich von 4,2 V bis 18 V unterstützt eine große Auswahl von gängigen Eingangsschienen, wie z. B. 12 V und 15 V. Das Bauteil unterstützt einen Dauerausgangsstrom von bis zu 2 A bei Ausgangsspannungen zwischen 0,6 V und 7 V.

Der TPS562211 synchrone 2-A-Abwärtswandler von TI implementiert mit der AECM-Steuertopologie (Advanced Emulated Current Mode, AECM) ein schnelles Einschwingverhalten mit einer echten festen Schaltfrequenz. Der TPS562211 ermöglicht eine interne Smart-Schleifenbandbreitensteuerung und bietet ein schnelles Einschwingverhalten über einen großen Ausgangsspannungsbereich, ohne dass eine externe Kompensation erforderlich ist.

Eine Zyklus-für-Zyklus-Spitzenstrombegrenzung auf dem High-Side-Spitzenstrom schützt den Wandler in Überlastungssituationen. Diese Funktion wird durch eine Low-Side-Talstrombegrenzung verstärkt, die ein Durchgehen des Stroms verhindert. Der Hiccup-Modus wird unter Überspannungsschutz (OVP), Unterspannungsschutz (UVP), UVLO-Schutz und thermischer Abschaltung ausgelöst.

Der TPS562211 synchrone 2-A-Abwärtswandler ist in einem SOT583-Gehäuse von 1,6 mm × 2,1 mm untergebracht.

Merkmale

  • Eingangsspannung: 4,2 V bis 18 V
  • Ausgangsspannung: 0,6 V bis 7 V
    • Dauerausgangsstrom von bis zu 2 A
    • Minimale Einschaltzeit: 45 ns
    • Maximales Tastverhältnis: 98 %
  • Hoher Wirkungsgrad
    • Integrierte MOSFETs von 66 mΩ und 33 mΩ
    • Ruhestrom: 120 μA (typisch)
  • Hochflexibel und benutzerfreundlich
    • Wählbarer Eco-Modus- oder FCCM-Betrieb
    • Wählbare Power-Good-Anzeige oder externer Soft-Start
    • Präziser Freigabeeingang
  • Hohe Genauigkeit
    • Referenzspannungsgenauigkeit: ±1 % (25 °C)
    • Schaltfrequenztoleranz: ±8,5 %
  • Kleine Lösungsgröße
    • Interne Kompensation für eine einfache Verwendung
    • SOT583-Gehäuse
    • Minimale externe Komponenten
  • Eine Zyklus-für-Zyklus-Strombegrenzung in High-Side- und Low-Side-MOSFETs
  • Nicht-verriegelbare OVP-, UVP-, UVLO- und TSD-Schutzfunktionen
  • Erstellen eines benutzerdefinierten Designs mit dem TPS562211 WEBENCH® Power Designer

Applikationen

  • Set-Top-Box (STB), Digital-Fernseher
  • Smart-Lautsprecher
  • Drahtgebundene Netzwerke, Breitband
  • Überwachung

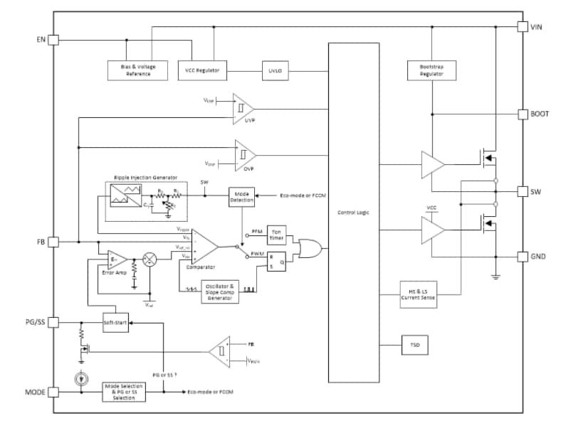
Funktionales Blockdiagramm

Blockdiagramm - Texas Instruments TPS562211 Synchroner 2-A-Abwärtswandler

Vereinfachter Schaltplan

Schaltplan - Texas Instruments TPS562211 Synchroner 2-A-Abwärtswandler
Veröffentlichungsdatum: 2021-09-27 | Aktualisiert: 2022-03-11