Texas Instruments TPSM843321 Abwärts-Leistungsmodul
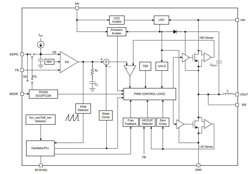
Das Abwärts-Leistungsmodul TPSM843321 von Texas Instruments bietet einen Eingangsspannungsbereich von 3,8 V bis 18 V mit hoher Designflexibilität. Das Bauelement TPSM843321 ist ein synchrones Abwärts-Leistungsmodul mit hoher Leistungsdichte und hohem Wirkungsgrad, das einfach zu verwenden ist und für Systeme entwickelt wurde, die über Stromschienen mit 5 V oder 12 V mit Strom versorgt werden. Das Leistungsmodul unterstützt einen kontinuierlichen Ausgangsstrom von bis zu 3 A und ein maximales Tastverhältnis von bis zu 98 %.Das Bauelement TPSM843321 von TI verwendet eine Spitzenstromregelung mit fester Frequenz und interner Kompensation für ein schnelles Einschwingverhalten und hervorragende Leitungs- und Lastregelung. Durch die optimierte interne Schleifenkompensation macht das Bauelement eine externe Kompensation über einen weiten Ausgangsspannungsbereich und eine große Schaltfrequenz hinweg überflüssig.
Das Bauelement TPSM843321 bietet Schutzfunktionen, einschließlich thermischer Abschaltfunktion, Unterspannungssperre am Eingang, zyklusweiser Strombegrenzung und Stotterschlussschutz.
Das Bauelement ist in einem 9-poligen QFN-Gehäus mit den Abmessungen 3,3 mm × 4,5 mm untergebracht und eine Pinbelegung für ein einschichtiges PCB-Layout ist verfügbar. Darüber hinaus liegt die Sperrschichttemperatur des Bauelements TPSM843321 zwischen -40 °C und 125 °C.
Merkmale
- Für eine große Auswahl von Applikationen ausgelegt
- 3,8 V bis 18 V Eingangsspannungsbereich
- Ausgangsspannungsbereich von 0,6 V bis 12 V
- Dauerhafter Ausgangsstrom von bis zu 3 A
- 0,6 V ±1 % Referenzspannung (-40 °C bis 125 °C)
- Niedriger Ruhestrom von 28 uA (typisch)
- 70 ns 114 ns minimale Einschaltzeit, Ausschaltzeit
- 8 us maximale Einschaltdauer
- 98 % maximales Tastverhältnis
- Benutzerfreundlichkeit und geringe Designgröße
- Spitzenstromregelungsmodus mit interner Kompensation
- Wählbare Frequenz von 200 kHz bis 2,2 MHz
- Synchronisierbar mit einer externen Uhr (unterstützt Phasensprung) bei 200 kHz bis 2,2 MHz
- Wählbare PFM/FCCM bei leichter Last
- Sperrschicht-Betriebstemperatur von -40 °C bis 125 °C
- Wählbare, einstellbare Sanftanlauf-Zeit-/Power-Good-Anzeigefunktion
- Gute EMI-Leistung mit Frequenzspreizung und optimierter Pinbelegung
- Hiccup-Überstrombegrenzung (OC) für High-Side- und Low-Side-MOSFETs
- Nicht verriegelter Schutz für Übertemperaturschutz (OTP), Überstromschutz (OCP), Überspannungsschutz (OVP), Unterspannungsschutz (UVP) und Unterspannungssperre (UVLO)
- Integrierter Bootstrap-Kondensator und Induktivität zur Unterstützung eines einfachen PCB-Layouts
- QFN-Gehäuse: 3,3 mm x 4,5 mm x 2 mm
- Erstellen Sie mit dem WEBENCH® Power Designer ein benutzerdefiniertes Design mit dem TPSM843321
Applikationen
- Medizin und Gesundheitswesen
- Test und Messung
- Gebäudeautomation
- Kabelgebundene Netzwerke, drahtlose Infrastruktur
- Verteilte Stromversorgungssysteme mit 5 V und 12 V Eingang
Vereinfachtes Schaltschema
Funktionales Blockdiagramm
