Toshiba TB9103FTG Gate-Treiber-IC

Der Toshiba TB9103FTG Gate-Treiber-IC ist ein Einkanal-H-Brücken-Gate-Treiber und ein Zweikanal-Halbbrücken-Gate-Treiber für Fahrzeuganwendungen. Dieser Gate-Treiber von Toshiba enthält eine Ladungspumpenschaltung und verwendet einen externen n-Typ-MOSFET. Der Funktionsumfang ist optimiert, um sich auf das Ein- und Ausschalten des Motors zu konzentrieren, wodurch er kompakt wird. Der TB9103FTG eignet sich für Motorantriebs-Applikationen mit Verriegelung, einschließlich Schiebetüren und Hintertüren. Darüber hinaus eignet sich der IC hervorragend für Motorantriebsapplikationen in Fenstern, Spiegeln und Sitzen.

Merkmale

  • Ausgestattet mit Halbbrücken- und H-Brücken-Steuerungsmodi
  • Kann als unabhängige Zweikanal-Halbbrücken-Totzeitsteuerung (Überwachung von VGS) und Abschaltsteuerung für jeden Kanal verwendet werden
  • Kann als H-Brücke verwendet werden, indem Halbbrücken kombiniert werden – Totzeit-Steuerung und Abschaltsteuerung als H-Brücke
  • Schlafmodus mit geringem Stromverbrauch
  • Ausgestattet mit verschiedenen Fehlererkennungen
    • VB Unterspannungserkennung, VCC UnterspannungsErkennung, VCP- Überspannungserkennung
    • Gate-Quellen-Spannungserkennung, Gate-Fehlerspannungsabschaltung
    • Drain-Source-Spannungserkennung (kann Erkennungsstufen festlegen), Überstromabschaltung
    • Überhitzungserkennung, Abschaltung
    • Benachrichtigung vom Open-Drain-Ausgangspin, wenn ein Fehler erkannt wird
  • Betriebsspannungsbereich
    • 7 V bis 18 V (V B)
    • 4,5 V bis 5,5 V (VCC)
  • Eingangsspannung 40 V
  • Integrierte 2 x Aufwärts-Ladungspumpenschaltung, die Logikpegel-Gate-FETs ansteuern kann
  • Qualifiziert gemäß AEC-Q100 Klasse 1
  • VQFN24-Gehäuse von 4 mm2

Applikationen

  • Elektrische Hintertüren
  • Elektrische Schiebetüren
  • Fensterheber
  • Leistungssitze

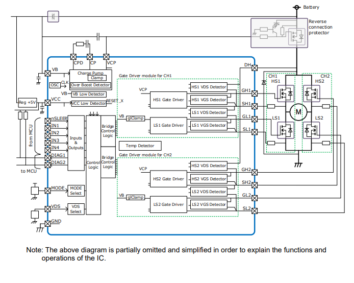
Vereinfachtes Blockdiagramm

Blockdiagramm - Toshiba TB9103FTG Gate-Treiber-IC

DC-Motorsteuerungsschaltung

Applikations-Schaltungsdiagramm - Toshiba TB9103FTG Gate-Treiber-IC

Videos

Veröffentlichungsdatum: 2025-03-18 | Aktualisiert: 2025-09-16