Vishay R3T2FPHM3 Automotive-Hybrid-Gleichrichter und TVS
Der Vishay R3T2FPHM3 Automotive-Hybrid-Gleichrichter und TVS ist eine hochmoderne Lösung für Fahrzeuganwendungen. Das R3T2FPHM3 Bauteil von Vishay kombiniert einen Gleichrichter und TRANSZORB® TVS in einem einzigen, kompakten Gehäuse. Die Oxid-Planar-Chip-Sperrschicht gewährleistet eine hohe Leistungsfähigkeit und Zuverlässigkeit und erfüllt die Anforderungen der MSL Stufe 1 gemäß J-STD-020 mit einem maximalen Spitzenwert von 260°C. Das Bauteil ist AEC-Q101-qualifiziert und eignet sich daher für eine große Auswahl von Fahrzeuganwendungen.Merkmale
- Automotive Hybridlösung für Gleichrichter und TRANSZORB TVS
- SIP3243xOxid-Planar-Chip-Sperrschicht
- Erfüllt die Anforderungen der MSL-Stufe 1 gemäß J-STD-020, LF-Spitzenwert von 260 °C
- Verfügbar mit AEC-Q101-Qualifizierung
- Materialkategorisierung, Definitionen der Einhaltung von Vorschriften
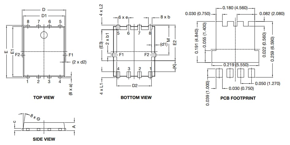
- FlatPAK 5x6 Gehäuse
- Konfiguration der gemeinsamen Kathodenschaltung
- Sperrschicht-Betriebstemperaturbereich: -55 °C bis +175 °C
- Standard-Gleichrichter
- IF(AV) 3 A
- VRRM 600 V
- IFSM 40 A
- VF bei IF = 3 A (TJ = 125 °C) 0,86 V
- Überspannungsschutzvorrichtungen
- VBR 27 V
- VWM 23,1 V
- PPPM 200 W
Applikationen
- Sekundärschutz für Sensoreinheiten
- Verteilte Airbag-Module
- DC/DC-Wandler mit geringer Leistung unter Stromverteiler
Videos
Gehäuseabmessungen
Weitere Ressourcen
Veröffentlichungsdatum: 2023-01-19
| Aktualisiert: 2024-04-02
