Analog Devices / Maxim Integrated MAX22664/5 Galvanische Sechskanal-Digitalisolatoren

Analog Devices / Maxim Integrated MAX22664/5 Galvanische Sechskanal-Digitalisolatoren sind schnelle, verstärkte, stromsparende Isolatoren, die mit der proprietären Prozesstechnologie ausgelegt sind. Diese Isolatoren nutzen eine Leistung pro Kanal von 0,71mW bei 1 MBit/s (1,8-V-Versorgung), um digitale Signale zwischen Schaltungen mit differentiellen Leistungsbereichen zu übertragen. Die MAX22664 Isolatoren enthalten vier Kanäle für die digitale Signalübertragung, von denen zwei in eine Richtung und die anderen zwei in die entgegengesetzte Richtung gehen. Die Isolatoren enthalten fünf Kanäle für die digitale Signalübertragung in eine Richtung und die andere in die entgegengesetzte Richtung.

Die digitalen galvanischen Sechskanal -Isolatoren MAX22664/5 von Analog Devices / Maxim Integrated verfügen über eine verstärkte Isolierung mit einer Nennspannung von 5 kVRMS (für 60 Sekunden), geringe Leistung, geringe Laufzeitverzögerungen und geringe Jitter. Diese Isolatoren entsprechen UL gemäß UL 1577 und cUL gemäß CAS Bulletin 5 A sicherheitsbehördlichen Zulassungen. Zu den typischen Applikationen gehören Hybrid-Elektrofahrzeuge (HEVs), Ladegeräte, Wechselrichter und Batteriemanagementsysteme (BMS).

Merkmale

  • Verstärkte galvanische Isolierung für digitale Signale
    • 16 Wide-SOIC mit einer Kriech- und Luftstrecke von 8 mm
    • Beständigkeit von 5 kVRMS für 60 s (VISO)
    • Hält einen Stromstoß von ±12,8 kV zwischen GNDA und GNDB mit einer Wellenform von 1,2 μs/50 μs stand
    • Halten Sie 848 VRMS (VIOWM) aus
    • Hohe CMTI (50 kV/μs, typisch)
  • Geringe Ausbreitungsverzögerung und geringer Jitter
    • Maximale Datenrate von bis zu 200 MBit/s
    • Geringe Laufzeitverzögerungen 7 ns (typisch) bei VDD= 3,3V
    • Takt-Jitter-RMS: 11,1 ps (typisch)
  • Geringer Stromverbrauch:
    • 0.71mW pro Kanal bei 1 Mbps mit VDD= 1,8V
    • 1.34mW pro Kanal bei 1 Mbps mit VDD= 3,3V
    • 3.21mW pro Kanal bei 100 Mbps mit VDD= 1,8V
  • Sicherheitstechnische Zulassungen
    • UL gemäß UL 1577
    • cUL gemäß CSA Bulletin 5A

Applikationen

  • Hybrid-Elektrofahrzeuge
  • Ladegeräte
  • Umrichter
  • BMSs

Videos

Applikation

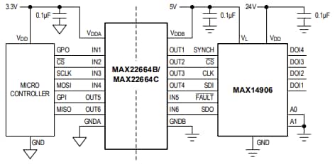
Applikations-Schaltungsdiagramm - Analog Devices / Maxim Integrated MAX22664/5 Galvanische Sechskanal-Digitalisolatoren
Veröffentlichungsdatum: 2023-08-09 | Aktualisiert: 2025-10-14