Infineon Technologies 2000 V CoolSiC™-MOSFETs
Infineon Technologies 2000 V CoolSiC ™ MOSFETs sind Trench-MOSFETs in einem TO-247PLUS-4-HCC-Gehäuse. Diese MOSFETs sind für eine erhöhte Leistungsdichte ausgelegt, ohne die Zuverlässigkeit des Systems zu beeinträchtigen, selbst unter anspruchsvollen Hochspannungs- und Schaltfrequenzbedingungen. Die geringen Leistungsverluste der CoolSiC ™ -Technologie bieten eine erhöhte Zuverlässigkeit mit der .XT-Verbindungstechnologie und ermöglichen höchste Wirkungsgrade in verschiedenen Applikationen. Die 2000 V MOSFETs verfügen über eine Gate-Schwellenspannung von 4,5 V und bieten sehr niedrige Schaltverluste. Zu den typischen Applikationen gehören Energiespeichersysteme, EV-Laden, string-Wechselrichter und Solarenergie-Optimierer.Merkmale
- Hohe Leistungsdichte
- Sehr niedrige Schaltverluste
- .XT-Verbindungstechnologie für eine erstklassige thermische Leistung
- Hervorragende Zuverlässigkeit
- Hoher Wirkungsgrad
- Verbesserte Feuchtigkeitsbeständigkeit
- Robuste Bodydiode für harte Kommutierung
- Einfaches Design
Technische Daten
- THT-Montage
- 4 PINS
- 2000 V VDSS für hohe DC-link-Systeme bis zu 1500 VDC
- 4,5 V Benchmark-Gate-Schwellenspannung
- Innovatives HCC-Gehäuse mit 14 mm-Kriechstrecke und 5,5 mm-Luftstrecken
- -55 °C bis 175 °C Betriebstemperaturbereich
- 175 °C Sperrschicht-Betriebstemperatur
Applikationen
- Energiespeichersysteme
- EV-Ladesysteme
- String-Wechselrichter
- Solarleistungsoptimierer
Videos
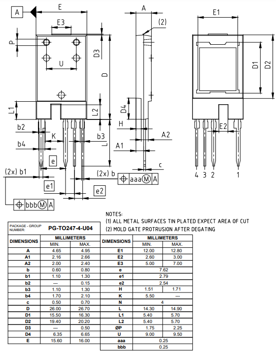
Pin-Diagramm
Gehäuseumrisse
Weitere Ressourcen
View Results ( 5 ) Page
| Teilnummer | Datenblatt | Pd - Verlustleistung | Qg - Gate-Ladung | Rds On - Drain-Source-Widerstand | Id - Drain-Gleichstrom | Typische Einschaltverzögerungszeit | Regelabschaltverzögerungszeit | Anstiegszeit | Abfallzeit | Durchlassleitwert (Vorwärtstranskonduktanz) min. |
|---|---|---|---|---|---|---|---|---|---|---|
| IMYH200R012M1HXKSA1 | ![]() |
552 W | 246 nC | 16.5 mOhms | 123 A | 16 ns | 50 ns | 13 ns | 24 ns | 30 S |
| IMYH200R024M1HXKSA1 | ![]() |
576 W | 137 nC | 33 mOhms | 89 A | 19 ns | 40 ns | 11 ns | 16 ns | 20 S |
| IMYH200R050M1HXKSA1 | ![]() |
348 W | 82 nC | 64 mOhms | 48 A | 17 ns | 36 ns | 9 ns | 12 ns | 10 S |
| IMYH200R075M1HXKSA1 | ![]() |
267 W | 64 nC | 98 mOhms | 34 A | 7 ns | 26 ns | 5 ns | 7 ns | 6.5 S |
| IMYH200R100M1HXKSA1 | ![]() |
217 W | 55 nC | 131 mOhms | 26 A | 2 ns | 21 ns | 3 ns | 5 ns | 5 S |
Veröffentlichungsdatum: 2023-08-02
| Aktualisiert: 2023-08-29

